HM9E Beam Load Cell Zemic Load Cell

Short Description:
◎Nickel plated alloy steel IP68 dual shear beam load cell;
◎High accuracy;
◎Suitable for truck and track scales and other heavy weighing devices;
◎Hermetically sealed;
Available models:
Specification:
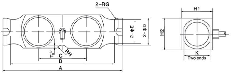
Dimensions in mm:

Wiring:
◎Shielded, 4 conductor cable;
◎Cable diameter: Φ8mm;
◎Standard cable length: 12m;
◎Shield not connected to element;
















