HM9C Dual Shear Beam Load Cell ZEMIC Load Cell

Product Description

图片1

Short Description:

◎Nickel plated alloy steel IP68 dual shear beam load cell;

◎High accuracy;

◎Suitable for truck and track scales and other heavy weighing devices;

◎Hermetically sealed;

 

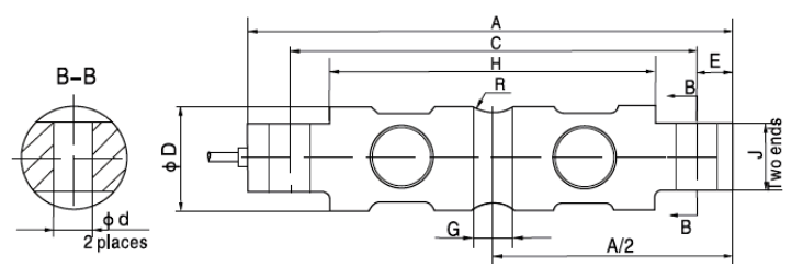
Dimensions in mm:

图片2

Dimension
Capacity
A C H G ΦD J Φd R E
10klb 206.2 174.6 133.1 15.7 Φ43.2 (1.7) 28.4 Φ16.7 (0.66) R12.7 (0.5) 15.7
(8.12) (6.88) (5.24) (0.62) (1.12) (0.62)
20klb 206.2 174.6 133.1 21.3 Φ49.5 (1.95) 28.4 Φ16.7 (0.66) R12.7 (0.5) 15.7
(8.12) (6.88) (5.24) (0.84) (1.12) (0.62)
30klb-75klb 260 215.9 165.1 25.4 Φ76.2 (3.0) 60.2 Φ26.9 (1.06) R25.4 (1.0) 22.2
(10.24) (8.50) (6.50) (1.00) (2.37) (0.87)

 

Available models:

Capacity Accuracy Full article description
10Klb C3 HM9C-C3-10K-9B
20Klb C3 HM9C-C3-20K-9B
30Klb C3 HM9C-C3-30K-9B
40Klb C3 HM9C-C3-40K-9B
50Klb C3 HM9C-C3-50K-9B
60Klb C3 HM9C-C3-60K-9B
75Klb C3 HM9C-C3-75K-9B

Specification:

Accuracy class OIML R60 C3
Output sensitivity ( = FS ) mV/V 3.0 ± 0.008
Maximum capacity ( Emax ) klb 10, 20, 30, 40, 50, 60, 75
Maximum number of load cell intervals ( nLC ) 3000
Ratio of minimum LC verification interval Y = Emax / vmin 10000
Combined error %FS ± 0.023
Minimum dead load klb 0
Safe overload of Emax 150 %
Ultimate overload of Emax 300 %
Zero balance %FS ± 1.0
Excitation, recommended voltage V 5 ~ 12( DC )
Excitation maximum V 18( DC )
Input resistance Ω 700 ± 7
Output resistance Ω 700 ± 7
Insulation resistance ≥ 5000 ( 50VDC )
Compensated temperature -10 ~+40
Operating temperature -35 ~ +65
Storage temperature -40 ~ +70
Element material Alloy steel
Ingress protection (according to EN 60529) IP68
ATEX classification (optional) II1G Ex ia IIC T4 II1D Ex iaD 20 T73℃ C II3G Ex nL IIC T4

 

Wiring:

◎Shielded, 4 conductor cable;

◎Φ5mm(5k-20klb) Φ8mm(30k-250klb);

◎Standard cable length: 9m;

◎Cable type and length for customer’s own application are available on request.;