Hualanhai / CZL803 / Срезной тензодатчик


Эластичный корпус датчика изготовлен из алюминиевого сплава, герметизирован клеем и имеет бесцветную анодированную поверхность. Степень защиты достигает IP65.


Share it:

Model: CZL803

Use: Весы для дозирования, Бункерные весы, Ленточные весы, Электронные платформенные весы, Электронные автомобильные весы, Промышленное оборудование для измерения силы

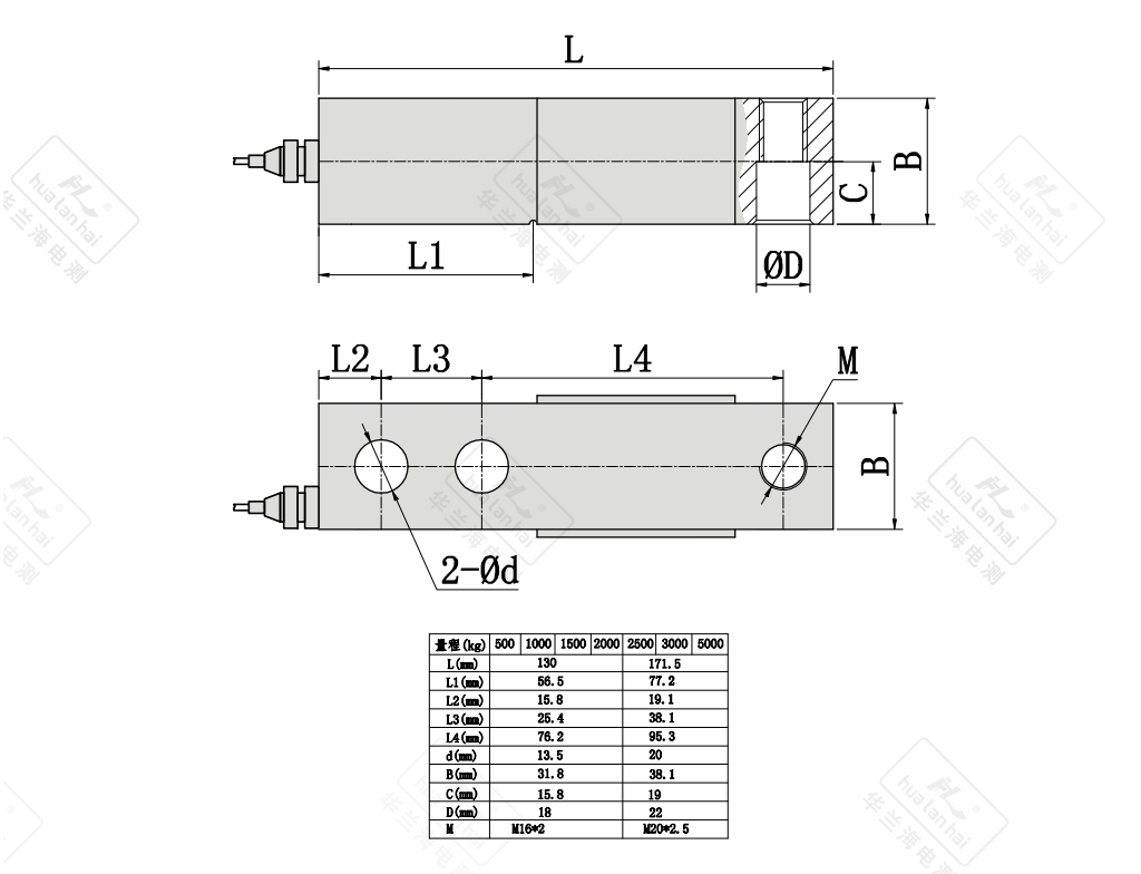
Structural diagram

parameter

Sensor range

500kg~5000kg

Accuracy class

C2/C3

Comprehensive error

±0.03 & ±0.02% FS

Output sensitivity

2.0±0.003 mV/V

creep

±0.023 & ±0.016% FS/30min

Zero output

±1.5% FS

Input impedance

350±5Ω

Output impedance

350±3Ω

insulation resistance

≥5000 MΩ(100VDC)

Influence of zero temperature

±0.029 & ±0.019% FS/10℃

Sensitivity temperature effect

±0.017 & ±0.011% FS/10℃

Temperature compensation range

-10℃ ~ +40 ℃

Operating temperature range

-30℃ ~ +70 ℃

Excitation voltage

5VDC ~ 12VDC

Safe overload range

150%

Limit overload range

200%

Material Science

合金钢/Alloy Steel

Protection level

IP66