T25 dynamic torque
Technical parameters
| Category | Parameter | Value / Unit |
|---|---|---|
| Accuracy Class | ( MAX ERROR ) | |
| Combined Accuracy — % FS | ± 0.1 | |
| Repeatability — % | ± 0.02 | |
| Resolution | 16-bit | |
| Temperature | ||
| Zero Drift — %RO/°C — MAX | ± 0.02 | |
| Sensitivity Drift — %RO/°C — MAX | ± 0.01 | |
| Compensated Temp. Range — °C | 5 to 45 | |
| Operating Temp. Range — °C | 0 to 60 | |
| Electrical Characteristics | ||
| Operating Voltage — VDC | 12 to 28 | |
| Operating Current — mA | ≤ 60 | |
| Output Signal — VDC | ± 5 | |
| Bandwidth — Hz | 1000 | |
| Sampling Rate — kHz | 10,000 (10 kHz) | |
| Calibration Signal — %FS | 100 | |
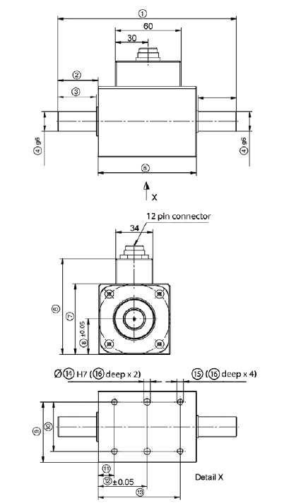
| Electrical Connection | 12-pin Binder series 581 (includes mate) | |
| Encoder Options | 360 pulse/rev, 2-track, +5V TTL, <br> 90° offset, quadrature encoder | |
| Mechanical Characteristics | ||
| Safe Overload — % RO | 200 | |
| Cyclic Rated Load — % RO | 70 (DIN 50100) | |
| Max Speed — rpm | Varies with capacity — see table | |
| Shaft Material | Stainless Steel (不锈钢) | |
| Housing Material | Aluminum Alloy (铝合金) |

Dimensions


















