T27 dynamic torque
Technical parameters
| Category | Parameter | Value / Unit |
|---|---|---|
| Accuracy Class | ( MAX ERROR ) | |
| Combined Accuracy — % FS | +/- 0.1 | |
| Repeatability — % | +/- 0.02 | |
| Temperature | ||
| Zero Drift — %RO/°C — MAX | ± 0.02 | |
| Sensitivity Drift — %RO/°C — MAX | ± 0.01 | |
| Compensated Temp. Range — °C | +5 to +45 | |
| Operating Temp. Range — °C | 0 to +60 | |
| Electrical | ||
| Output Signal — VDC | +/- 5 | |
| Bandwidth — Hz | 1 kHz — 3dB | |
| Operating Voltage — VDC | 12-28 | |
| Operating Current — mA | 90 | |
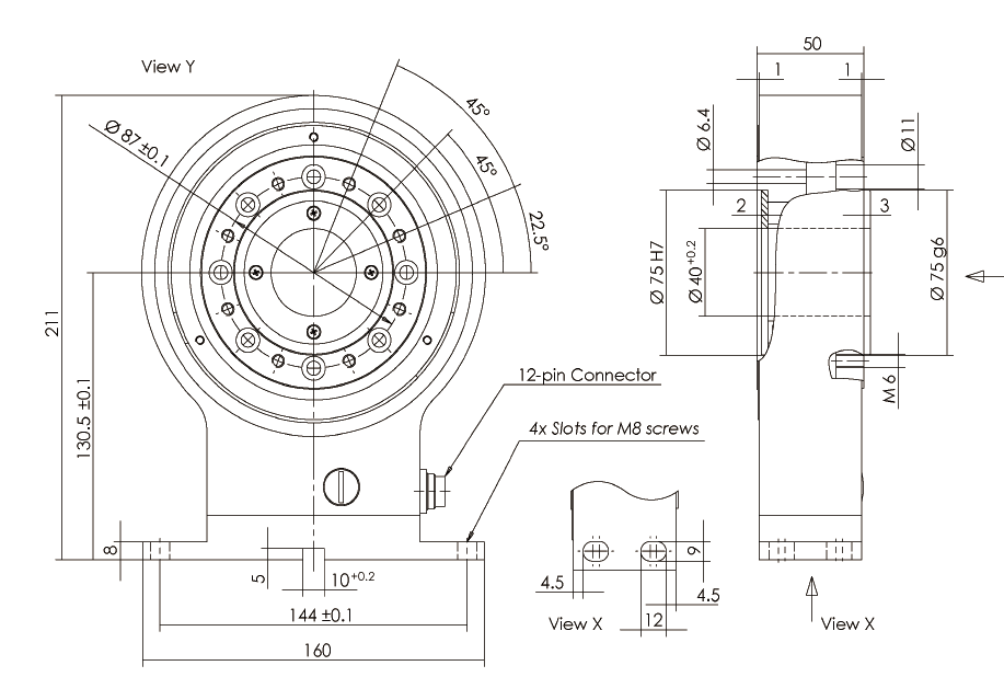
| Electrical Connection | 12 pin Binder | |
| Mechanical | ||
| Safe Overload — % RO | 200 | |
| Cyclic Rated Load — % RO | +/- 70 Peak | |
| Balance Grade — DIN ISO 1940 | 6.3 | |
| IP Protection Rating | 54 |
Dimensions




















