Категория: Метка: Бренд:

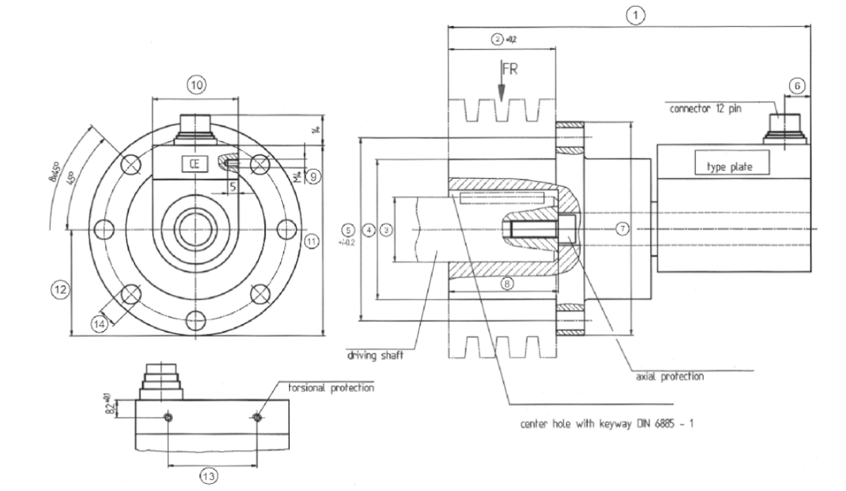
Interface / T22 dynamic torque


Measurement range: 20~5k Nm

Accuracy: ±0.1%FS


Share it:

T22 dynamic torque

Technical parameters

Category Parameter Value / Unit
Accuracy Class ( MAX ERROR )
Combined Accuracy — % FS ± 0.1
Repeatability — % ± 0.02
Temperature
Zero Drift — %RO/°C — MAX ± 0.02
Sensitivity Drift — %RO/°C — MAX ± 0.01
Compensated Temp. Range — °C +5 to +45
Operating Temp. Range — °C 0 to +60
Electrical Characteristics
Output Signal — VDC ± 5
Bandwidth — Hz 3 kHz -3dB
Calibration Signal — %FS 100
Operating Voltage — VDC 12 to 28
Operating Current — mA 60
Electrical Connection 12-pin
Mechanical Characteristics
Safe Overload — % RO 200
Cyclic Rated Load — % RO ± 70 peak
Max Speed — rpm Varies with capacity. See Table
Housing Material Aluminum Alloy 

T22

Dimensions

T22

T22