LC527 Spoke Type Round Transducer Force Sensor Tension Compression Spoke Load Cell
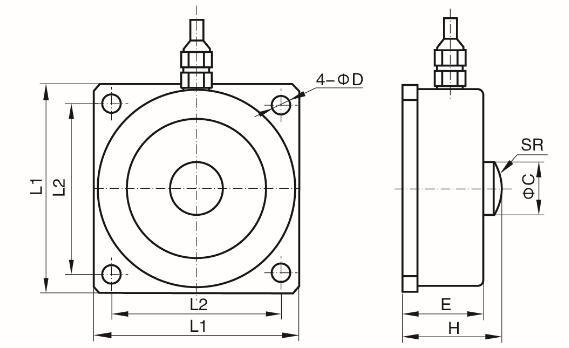
Dimension:
Technical Parameter:
케이센서스 스마트스토어
Dimension:
| Capacity | L1 | L2 | ⌀ C | ⌀ D | H | E | SR | |
| (kN) | (Ton) | (mm) | ||||||
| 3~10 | 0.3~1 | 74 | 62 | 16 | 6.5 | 41 | 33 | 52 |
| 20~70 | 2~7 | 90 | 73 | 20 | 8.5 | 53.5 | 44 | 70 |
| 100~250 | 10~25 | 116 | 96 | 30 | 11 | 82 | 70 | 91 |
| 300~500 | 30~50 | 132 | 108 | 38 | 13 | 97 | 85 | 120 |
| 1000 | 100 | 240 | 190 | 76 | 26 | 125 | 112 | 200 |
Technical Parameter:
| Rated Load: | 3~1000kN | ||
| Sensitivity: | (2.0±0.1%)) mV/V | Operating Temp.Range: | -30~+70℃ |
| Combined Error: | ±0.03%F.S | Maximum Safe Over Load: | 150%F.S |
| Creep Error(30min): | ±0.03% F.S | Ultimate Over Load: | 200%F.S |
| Zero Balance: | ±1% F.S | Recommend Excitation Vol.: | 10~12V DC |
| Temp. Effect On Zero: | ±0.05% F.S/10℃ | Maximum Excitation Vol.: | 15V DC |
| Temp. Effect On Span: | ±0.05% F.S/10℃ | Sealing Class: | IP67/IP68 |
| Input Resistance: | 380±10Ω;750±5Ω | Element Material: | Alloy/Stainless Steel |
| Output Resistance: | 350±3Ω;701±2Ω | Cable: | 13m |
| Insulation Resistance: | ≥5000MΩ | Citation: | GB/T7551-2008/ OIML R60 |
| Product name | LC527 Spoke Type Round Transducer Force Sensor Tension Compression Spoke Load Cell |
| Brand | SAINTBOND |
| Market | All over the world |
| Features | High precision and stable performance |
| Advantage | 0EM/ODM |
| Sample Lead Time | 5~ 40Days |
| Sample price | The price is different according to product capacity |
| Custom Design | Welcome |
| Form of sale | Factory supply |
Product description:
Capacity :30~1000kg
Material: stainless steel
Defend grade: IP66.
Application: It is widely used for electronic truck scales, hopper scales, automotive testing equipment other electronic weighing or force measuring fields and other automation fields.
1. Made of alloy steel or stainless steel
2. Suitable for belt weigher, hopper scale and other weighing devices
3. Good steel performance and high accuracy
KWT1D75H series is a kind of bilayer through-hole struture load cell,it is a improved version based on KWT1D55H series to meet more measurement application scene. It adopts the multi-strain gauge bridge design, which can significantly optimize the performance and reduce the influence of external load on the sensor performance. This series has a low structure, and its very suitable for applications in environments with limited vertical space. This is a load cell that can handle eccentric loads and still maintain high accuracy and reliability.
Product description:Features:
Capacity :0.5~50Ton
42CrMoA alloy steel
Compact structure
Nickel plating on surface
Suitable for material testing machine, packaging scale, belt scale, hopper scale and other force testing instrument as well as automation equipment and testing filed.
High precision, with good temperature and time stability, low height, good rigidity, and strong resistance to eccentric loads.
Widely used in belt scales, hopper scales, storage scales, material tanks, material mechanics testing machines, labor safety testing equipment, etc
KWT1D65 series is a kind of high-accuracy and multi-functions spoke type sensor. It has a unique integral multi-beam shear design that can withstand high external load, which makes the load cell with good stiffness and excellent dynamic response ability.
Product description:
Capacity :10kg~50Ton
Alloy Steel
High stability
Can be installed in small spaces
Stable anti-interference signal
Widely used in electronic truck scales hopper scales, automotive testing equipment other electronic weighing or force measuring fields
The sensor can meet the test requirements of a wide range of sensors, with a range of 100kN~200kN.
It can be applied to testing machines, truck scales, hopper scales, various industrial weighing systems, etc.
Material: stainless steel, alloy steel
Size: Large range Other ranges can be customized
WhatsApp us
