LC526 Weight Pancake Mini Load Cell Universal Pancake Load Cell for Truck Scale

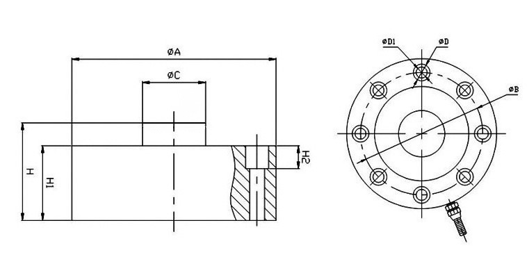
Dimension:


Technical Parameter:


케이센서스 스마트스토어

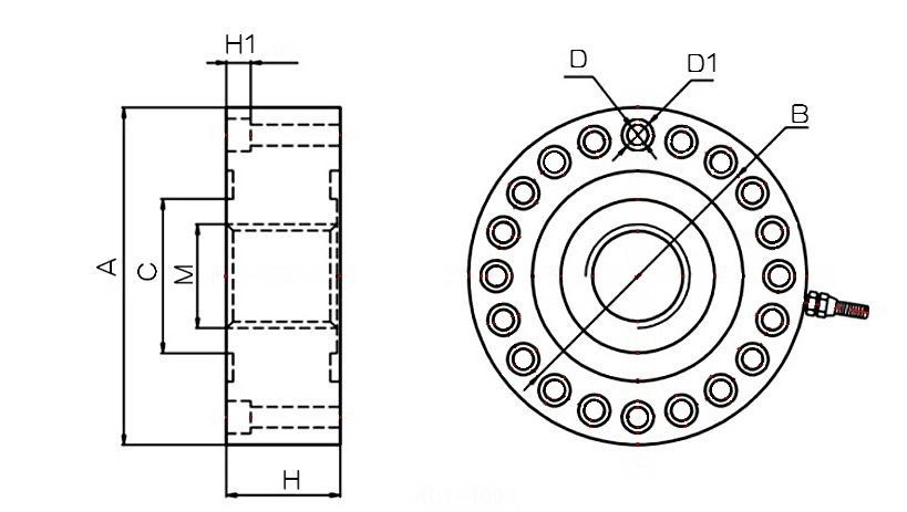
Dimension:

| Cap. | A | B | C | D | D1 | H | H1 | H2 | M |
| 0.2~0.7t | 74 | 63 | 24 | 9 | 6 | 34 | 30 | 7.2 | M16×1.5 |
| 1~5t | 105 | 89 | 32 | 11 | 7 | 37 | 34 | 7.2 | M16×1.5 |
| 10~20t | 120.6 | 101.8 | 39 | 14 | 9 | 53.5 | 41 | 10.5 | M32×1.5 |
| 30t | 141 | 116.8 | 50.4 | 18 | 11 | 57.2 | 50.8 | 11 | M40×1.5 |

| Cap. | A | B | C | D | D1 | H | H1 | M |
| 40~80t | 208 | 174 | 95 | 20 | 13 | 70 | 15 | M40×1.5 |
| 100~250t | 280 | 230 | 120 | 30 | 17 | 57.2 | 50.8 | M64×3 |
| 300~450t | 360 | 300 | 190 | 40 | 25 | 110 | 20 | M100×3 |
Technical Parameter:
| Rated Load: | 0.2/0.7/1/3/5/10/20/30//40/50/80/100/250/300/450t | ||
| Sensitivity: | (2.0±0.1%)) mV/V | Operating Temp.Range: | -30~+70℃ |
| Combined Error: | ±0.03%F.S | Maximum Safe Over Load: | 150%F.S |
| Creep Error(30min): | ±0.03% F.S | Ultimate Over Load: | 200%F.S |
| Zero Balance: | ±1% F.S | Recommend Excitation Vol.: | 10~12V DC |
| Temp. Effect On Zero: | ±0.05% F.S/10℃ | Maximum Excitation Vol.: | 15V DC |
| Temp. Effect On Span: | ±0.05% F.S/10℃ | Sealing Class: | IP67/IP68 |
| Input Resistance: | 750±5Ω | Element Material: | Alloy/Stainless Steel |
| Output Resistance: | 701±2Ω | Cable: | 13m(0.2~30t),16m(40~450t) |
| Insulation Resistance: | ≥5000MΩ | Citation: | GB/T7551-2008/ OIML R60 |
| Mode Of Connection: | Red(Input+),Black(Input-),Green(Output+),White(Output-) | ||


| Product name | LC526 Weight Pancake Mini Load Cell Universal Pancake Load Cell for Truck Scale |
| Brand | SAINTBOND |
| Market | All over the world |
| Features | High precision and stable performance |
| Advantage | 0EM/ODM |
| Sample Lead Time | 5~ 40Days |
| Sample price | The price is different according to product capacity |
| Custom Design | Welcome |
| Form of sale | Factory supply |
The ZMLB is spoke type load cell designed for both tension and compression force measurement. Nickel plated alloy steel can make protection class achieve IP67. The shear beam structure gives load cell high performance of linearity. Zhimin offers ODM&OEM service.
Nickel plated alloy steel IP67
KWT1D60 is a kind of high accuracy and overload capacity load cell. The product has a built-in embedded circuit for real-time data accquisition and calculation, and can measure the value of force fastly. This series can also match the measuring requirements of multiple range.
Product description:vailable in the capacities from 1~45Ton
Product Numbers:TAS511
Product description:Features:
Capacity : 0~1000kg
Material: stainless steel
Type: compression and tension type
Defend grade: IP67.
Application: the compression and tension measurement in medical and weighing system.
KWT1D75H series is a kind of bilayer through-hole struture load cell,it is a improved version based on KWT1D55H series to meet more measurement application scene. It adopts the multi-strain gauge bridge design, which can significantly optimize the performance and reduce the influence of external load on the sensor performance. This series has a low structure, and its very suitable for applications in environments with limited vertical space. This is a load cell that can handle eccentric loads and still maintain high accuracy and reliability.
1. Made of alloy steel or stainless steel
2. Suitable for belt weigher, hopper scale and other weighing devices
3. Good steel performance and high accuracy
The sensor can meet the test requirements of a wide range of sensors, with a range of 100kN~200kN.
Product description:Features:
Capacity :0.5~50Ton
42CrMoA alloy steel
Compact structure
Nickel plating on surface
Suitable for material testing machine, packaging scale, belt scale, hopper scale and other force testing instrument as well as automation equipment and testing filed.
Product description:
Capacity :10kg~50Ton
Alloy Steel
High stability
Can be installed in small spaces
Stable anti-interference signal
Widely used in electronic truck scales hopper scales, automotive testing equipment other electronic weighing or force measuring fields
Widely used in testing machines, truck scales, hopper scales, various industrial weighing systems.
Material: stainless steel, alloy steel
Size: Spoke type, Other ranges can be customized
WhatsApp us
