카테고리: 태그: 브랜드:

Interface / TS19 Static torque Sensor


Measuring range: 100~10k Nm

Accuracy: ±0.1%FS


Share it:

TS19 Static torque Sensor

Technical parameters

Category Parameter Value / Unit
Accuracy Class ( MAX ERROR )
Non-linearity — %FS ± 0.02
Combined Error — %FS ± 0.1
Temperature
Compensated Temp. Range — °C -5 to 45
Operating Temp. Range — °C -15 to 55
Temp. Effect on Zero — %RO/°C — MAX ± 0.02
Temp. Effect on Sensitivity — %RO/°C — MAX ± 0.01
Electrical
Sensitivity — mV/V 1.5
Excitation Voltage — VDC MAX 12
Output Resistance — Ohm 350
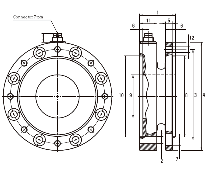
Electrical Connection 7pin Connector 
Mechanical
Safe Overload — %CAP 150
Overhung Moment 50
Cyclic Rated Load 70 P-P
Material Stainless Steel 

Dimensions

TS19

TS19