TS18 Static torque Sensor
Technical parameters
| Category | Parameter | Value / Unit |
|---|---|---|
| Accuracy Class | ( MAX ERROR ) | |
| Non-linearity | ± 0.02 %FS | |
| Combined Error | ± 0.2 %FS | |
| Temperature | ||
| Compensated Temp. Range | -5 to +45 °C | |
| Operating Temp. Range | -15 to +55 °C | |
| Zero Temp. Drift (Max) | ± 0.02 %RO/°C | |
| Sensitivity Temp. Drift (Max) | ± 0.01 %RO/°C | |
| Electrical Characteristics | ||
| Sensitivity | 1 mV/V | |
| Excitation Voltage (Max) | 12 VDC | |
| Output Resistance | 350 Ohm | |
| Electrical Connection | 6-pin Connector | |
| Mechanical Characteristics | ||
| Safe Overload | 150 %CAP | |
| Angular Deflection at Rated Torque | < 0.2° | |
| Cyclic Rated Load | ± 70 peak |
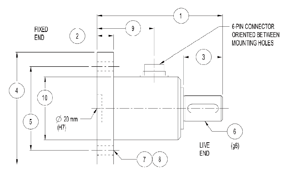
Dimensions





















