Miniature load cell – AM42B
Description
2. Low profile and compact structure;
3. It is suitable for a variety of small space force measurement, are widely used in measurement control in industrial, research and development fields.
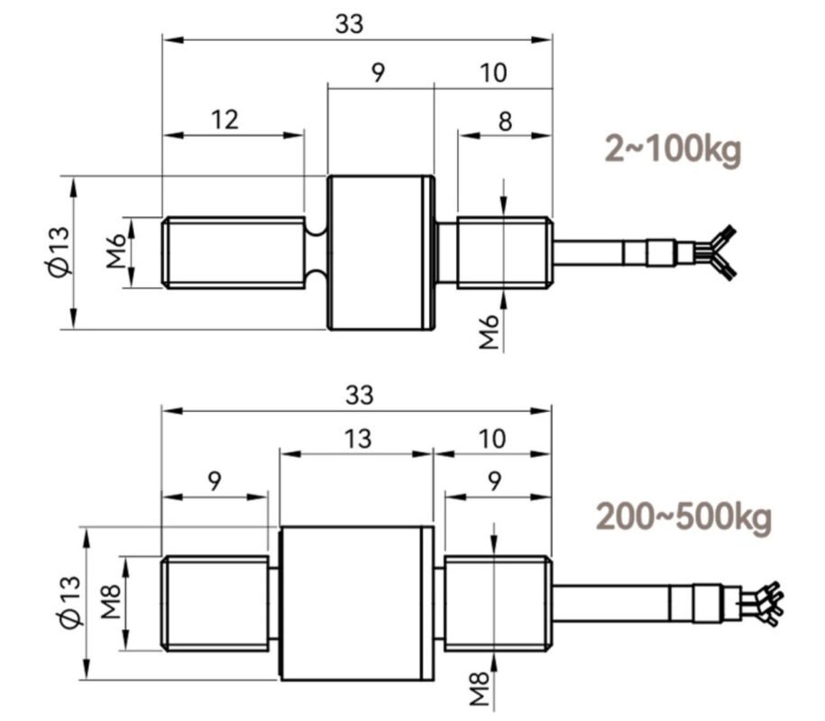
Drawing
Contact us if you need the Datasheet PDF.

















