ZMWMC Stainless steel compression load cell 200kg
1. Constructed from stainless steel and protected from moisture with an epoxy bonded cover.
2. Configured for both of compression and tension force measurement.
3. Full-bridge, bonded foil strain gauge technology provides excellent long-term stability and ensures high performance even in applications requiring in excess of 1 million load cycles.
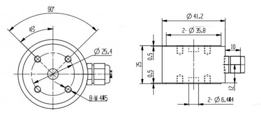
Dimensions in mm

| PARAMETER | VALUE | UNIT |
| Standard capacities (Emax) | 1-200 | KG |
| Rated output-R.O. | 2.0 | mV/V |
| Zero balance | 1 | ±% of rated output |
| Non linearity | 0.1 | ±% of rated output |
| Hysteresis | 0.05 | ±% of rated output |
| Non-repeatability | 0.05 | ±% of rated output |
| Creep error (30 minutes) | 0.05 | ±% of rated output |
| Zero return (30 minutes) | 0.05 | ±% of rated output |
| Temperature effect on min. dead load output | 0.0026 | ±% of rated output/℃ |
| Temperature effect on sensitivity | 0.0015 | ±% of rated output/℃ |
| Compensated temperature range | -10 to +40 | ℃ |
| Operating temperature range | -20 to +60 | ℃ |
| Safe overload | 150 | % of R.C |
| Ultimate overload | 200 | % of R.C |
| Excitation, recommended | 10 | Vdc |
| Excitation, maximum | 15 | Vdc |
| Input resistance | 380±10 | Ohms |
| Output resistance | 350±3 | Ohms |
| Insulation resistance | 5000 | Mega-Ohms |
| Material | Stainless steel | |
| Protection class | IP66 |















