ZMMA1 Micro flat compression force sensor
The ZMMA1 is a series of miniature force transducers designed for applications in general test and measurement as well as machine monitoring and control. The compact size enables load cell install with various automation equipment. Constructed with stainless steel, the load cell’s protection class is up to IP67.
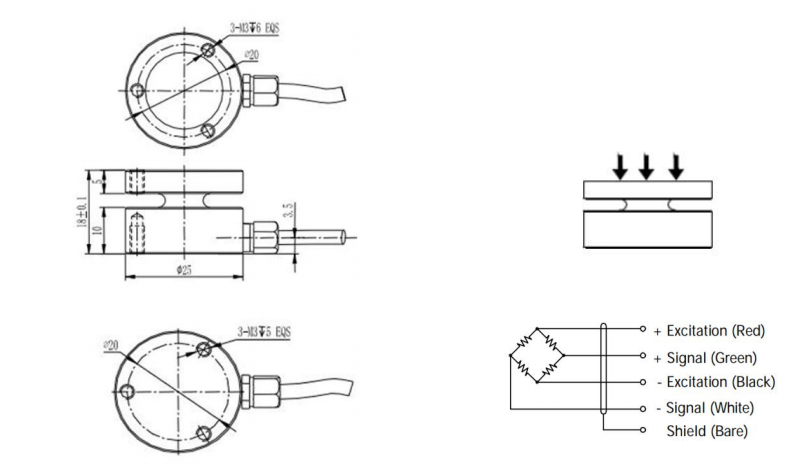
Dimensions in mm

| PARAMETER | VALUE | UNIT |
| Standard capacities (Emax) | 500-5000 | N |
| Rated output-R.O. | 1.0-1.5 | mV/V |
| Zero balance | 1 | ±% of rated output |
| Non linearity | 0.2 | ±% of rated output |
| Hysteresis | 0.1 | ±% of rated output |
| Non-repeatability | 0.1 | ±% of rated output |
| Creep error (30 minutes) | 0.03 | ±% of rated output |
| Zero return (30 minutes) | 0.03 | ±% of rated output |
| Temperature effect on min. dead load output | 0.0026 | ±% of rated output/℃ |
| Temperature effect on sensitivity | 0.0015 | ±% of rated output/℃ |
| Compensated temperature range | -10 to +40 | ℃ |
| Operating temperature range | -20 to +60 | ℃ |
| Safe overload | 150 | % of R.C |
| Ultimate overload | 200 | % of R.C |
| Excitation, recommended | 10 | Vdc |
| Excitation, maximum | 15 | Vdc |
| Input resistance | 720±20 | Ohms |
| Output resistance | 700±3 | Ohms |
| Insulation resistance | 5000 | Mega-Ohms |
| Material | Stainless steel | |
| Protection class | IP66 |















