| Capacity (Optional) | 5kg, 10kg, 20kg, 50kg, 100kg, 200kg | Material | Stainless steel |
| Nonlinearity | ≤0.05% F.S. | Rated output | 2.0±0.2mV/V |
| Recommended excitation | 5-10VDC | Maximum excitation | 10V DC |
| Protection class | IP54 | Compensated temp range | -10~40℃ |
| Hysteresis | ≤ 0.05% F.S. | Operating temp range | -20~80℃ |
| Repeatability | ≤0.05% F.S. | Insulation | ≥5000MΩ/100VDC |
| Input impedance | 350±10Ω | Output impedance | 350±10Ω |
| Creep (30min) | ≤0.05% F.S. | Temp effect on output | ≤0.2% F.S./10℃ |
| Zero balance | ±2% F.S. | Temp effect on zero | ≤0.2% F.S./10℃ |
| Safe load limit | 150%F.S. | Ultimate load limit | 300%F.S. |
| Cable size | Ø2x4m | Fatigue life | Full scale more than 1 million times |
| Cable connection | Ex+: Red; Ex-: Black; Sig+:Green; Sig-:White | ||

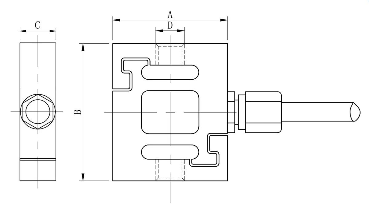
| Capacity | A | B | C | D |
| 5/10/20/50kg | 16 | 19.1 | 6 | M4 |
| 100/200kg | 26 | 40 | 12 | M8 |
Automotive, medical, robot, electronic, mechanical equipment, automation equipment, etc.
Force measurement in small space installation, such as feeling tester for keyboard switch, compression force measurement for hot and cold lamination machine.

























