Models
FA401
Features
| Product Name | Tension Compression Force Sensor | Capacity | 1,2,5,10,20kg |
|---|---|---|---|
| Rated Output | 2.0±10%mV/V | Non-linearity | ≤0.1%F.S. |
| Repeatability | ≤0.1%F.S. | Material | Stainless Steel |
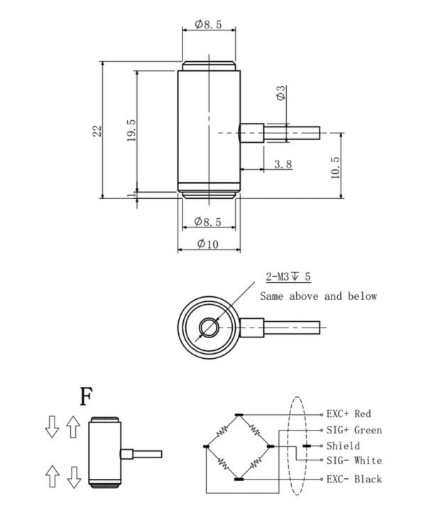
Dimensions

Specifications
| Item | Unit | Specification |
|---|---|---|
| Product name | – | Tension Compression Force Sensor |
| Capacity | kg | 1, 2, 5, 10, 20 |
| Rated output | mV/V | 2.0 ± 10% |
| Zero Balance | mV/V | ±0.05 |
| Creep (30 min) | %F.S. | ≤0.1 |
| Non-linearity | %F.S. | ≤0.1 |
| Hysteresis | %F.S. | ≤0.1 |
| Repeatability | %F.S. | ≤0.1 |
| Input impedance | Ω | 650 / 350 ± 5 |
| Output impedance | Ω | 650 / 350 ± 5 |
| Temp. effect on output | %F.S./10 ℃ | 0.05 |
| Temp. effect on zero | %F.S./10 ℃ | 0.05 |
| Insulation resistance | MΩ / 100V(DC) | ≥5000 |
| Recommended excitation | V | 5 |
| Maximum excitation | V | 15 |
| Compensated Temp Range | ℃ | -10 ~ 40 |
| Operating Temp Range | ℃ | -20 ~ 60 |
| Safe overload | %F.S. | 150 |
| Ultimate overload | %F.S. | 200 |
| Cable size | mm | ⌀2 × 3000 |
| Weight | kg | 0.1 |
| Material | – | Stainless steel |
본 게시물은 케이센서스에 저작권이 있습니다. 무단으로 전제 및 도용 시 법적으로 처벌 될 수 있습니다. Copyright 2025. 케이센서스(KSENSORS) Co. All rights reserved. |





























