Models
FA901
Features
| Product Name | Tension Compression Force Sensor | Capacity | 500,1000,1500,2500,5000N |
|---|---|---|---|
| Creep(30min) | ≤0.05%F.S. | Weight | 0.4kg |
| Non-linearity | ≤0.2%F.S. | Hysteresis | ≤0.1%F.S. |
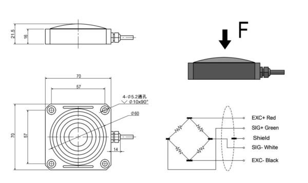
Dimensions

Specifications
| Item | Unit | Specification |
|---|---|---|
| Product name | – | Tension Compression Force Sensor |
| Capacity | N | 500, 1000, 1500, 2500, 5000 |
| Rated output | mV/V | 1.5 ± 10% |
| Zero Balance | mV/V | ±0.02 |
| Creep (30 min) | %F.S. | ≤0.05 |
| Non-linearity | %F.S. | ≤0.2 |
| Hysteresis | %F.S. | ≤0.1 |
| Repeatability | %F.S. | ≤0.1 |
| Input impedance | Ω | 780 ± 30 |
| Output impedance | Ω | 700 ± 10 |
| Temp. effect on output | %F.S./10 ℃ | 0.05 |
| Temp. effect on zero | %F.S./10 ℃ | 0.03 |
| Insulation resistance | MΩ / 100V (DC) | ≥5000 |
| Recommended excitation | V | 5 ~ 15 |
| Maximum excitation | V | 20 |
| Compensated Temp Range | ℃ | -10 ~ 60 |
| Operating Temp Range | ℃ | -20 ~ 80 |
| Safe overload | %F.S. | 150 |
| Ultimate overload | %F.S. | 200 |
| Cable size | mm | Ø4 x 3000 |
| Weight | kg | 0.4 |
| Material | – | Aluminum alloy |
본 게시물은 케이센서스에 저작권이 있습니다. 무단으로 전제 및 도용 시 법적으로 처벌 될 수 있습니다. Copyright 2025. 케이센서스(KSENSORS) Co. All rights reserved. |



























