H9H Steel Alloy Load Cell Zemic Load Cell

Short Description:
◎Alloy steel IP67dual shear beam load cell;
◎High accuracy;
◎Suitable for track and truck scales and other weighing devices;
Available models:
Specification:
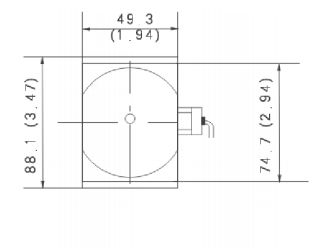
Dimensions in mm:


Wiring:
◎Adopt shielded, 4 conductor cable: Φ5mm;
◎Standard cable length: 9m;















