TC326 Column Tension And Compression Load Cell
Product Description
Features and Uses
Low height, small deformation, easy installation;
Bidirectional stretching and compression;
Mainly used for push pull measurement, hopper scale, various industrial weighing systems, etc.
Automobile press assembly, automatic assembly, 3C product testing, new energy product assembly, medical testing, robot, mold assembly.
Application field: automobile assembly, automatic assembly, 3C product testing, new energy product assembly, medical testing, robot, mold assembly and other industrial testing, measurement and control system.
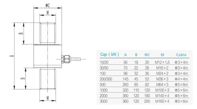
Mounting Dimension

Parameter List
| Rated Range | 10,20,30,50100200350500,10002000kN | Insulation Resistance | ≥ 5000mΩ/100VDC |
| Consideration | 1.5±10%mV/V | Excitation Voltage | 5~15V |
| Null Balance | 0.05%F.S | The Maximum Excitation Voltage | 20volts |
| Nonlinearity | 0.1%F.S | Temperature Compensation Range | -10~40℃ |
| Lag Error | 0.1%F.S | Operating Temperature Range | -20〜70℃ |
| Repeatability | 0.05%F.S | Safe Load(E L) | 150%F.S. |
| Creep (30 Minutes) | 0.05%F.S | Failure Load(E D) | 200%F.S. |
| Sensitivity Drift Temperature Coefficient | 0.05%F.S./10℃ | Cable size | |
| Zero Drift Temperature Coefficient | 0.05%F.S./10℃ | Cloth | alloy steel |
| Input Resistance | 780±20Ω/385±20Ω | Unit Weight(G) | |
| Output Resistance | 700±10Ω/350±10Ω | Protection | Ip66 |
| Direction Of Force | Wiring Method |
![]() |
![]() |


















