NS-WL6 Series Tension Pressure Sensor
Parameter

Dimensions

Wiring Definition
Selection table

케이센서스 스마트스토어
Parameter

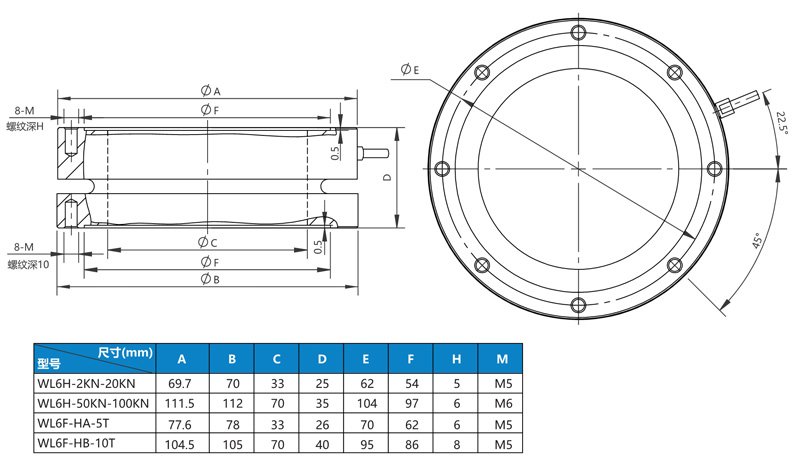
Dimensions

Wiring Definition
Selection table

With the function of anti-overload protection. High precision, bidirectional bearing, easy to install. It is suitable for measuring and controlling the force value of batching scale, hook scale, electromechanical scale, packaging scale, material mechanics testing machine and other equipment.
High precision, strong anti-overload ability, sealing and moisture-proof. Widely used in various hook scales, ports, wharfs, crane overload protection equipment, etc. This tension type load cell can be used with built-in wireless transceiver.
Product description:
S530S a round-shaped tension & compression load cell, completely hermetically sealed by laser to ensue it can work in harsh environments. Available in a wide range of capacities from 300kg thru to 5t
Main Features:
• Material: stainless steel
• Rated Capacities: 300kg~5t
• OIML R60, NTEP HB44, CE and RoHS certified
• IP Rating: IP66, IP68
• Suitable for process weighing of hopper scales, silo scales, tank scales.
• High precision by OIML R60 C3, high reliability.
Category: Tension
Tension Pick-up Load Cell
Capacity: 15~200kg
Category: Tension Sensor
10 ton to 200 ton load cell can bear both tension and compression, with male thread and column type structure, has good anti-eccentric load performance, long-time stability, can be applied for electronic weighing instrument, hoisting equipment, tension measurement and control.
Tension Pick-up Load Cell
Capacity: 50N
Category: Tension Sensor
Product description:
S515 is a square-shaped tension & compression load cell, high-quality silica gel potting is to ensure it can work in harsh environment. Available in a wide range of capacities from 1KN to 10KN
Main Features:
• Material: Alloy steel ( thread)
• Rated Capacity: 1KN~10KN
• Calibrated based on criterion of ISO 376
• IP Rating: IP66
• Suitable for force measurement and overloading safety controlling.
• High precision by ISO 376 class 0.5, 1, 2.
Category: Tension
2 ton to 70 ton/100 ton load cell can bear both tension and compression, with high accuracy, strong overload capacity and protection class IP67. Wire ropes can be directly tied to the holes at both ends of the load cell. Tension load cell can be applied for crane, hook scale, port/terminal lifting equipment measurement and control.
Tension Pick-up Load Cell
Capacity: 30kg
Category: Tension Sensor
Simple structure, high reliability and good interchangeability. Suitable for various proportioning scales, hopper scales, hook scales, etc.
With the characteristics of imple structure, high reliability and good interchangeability, the column type tension load cell is suitable for various proportioning scales, hopper scales, hook scales, etc.
WhatsApp us
