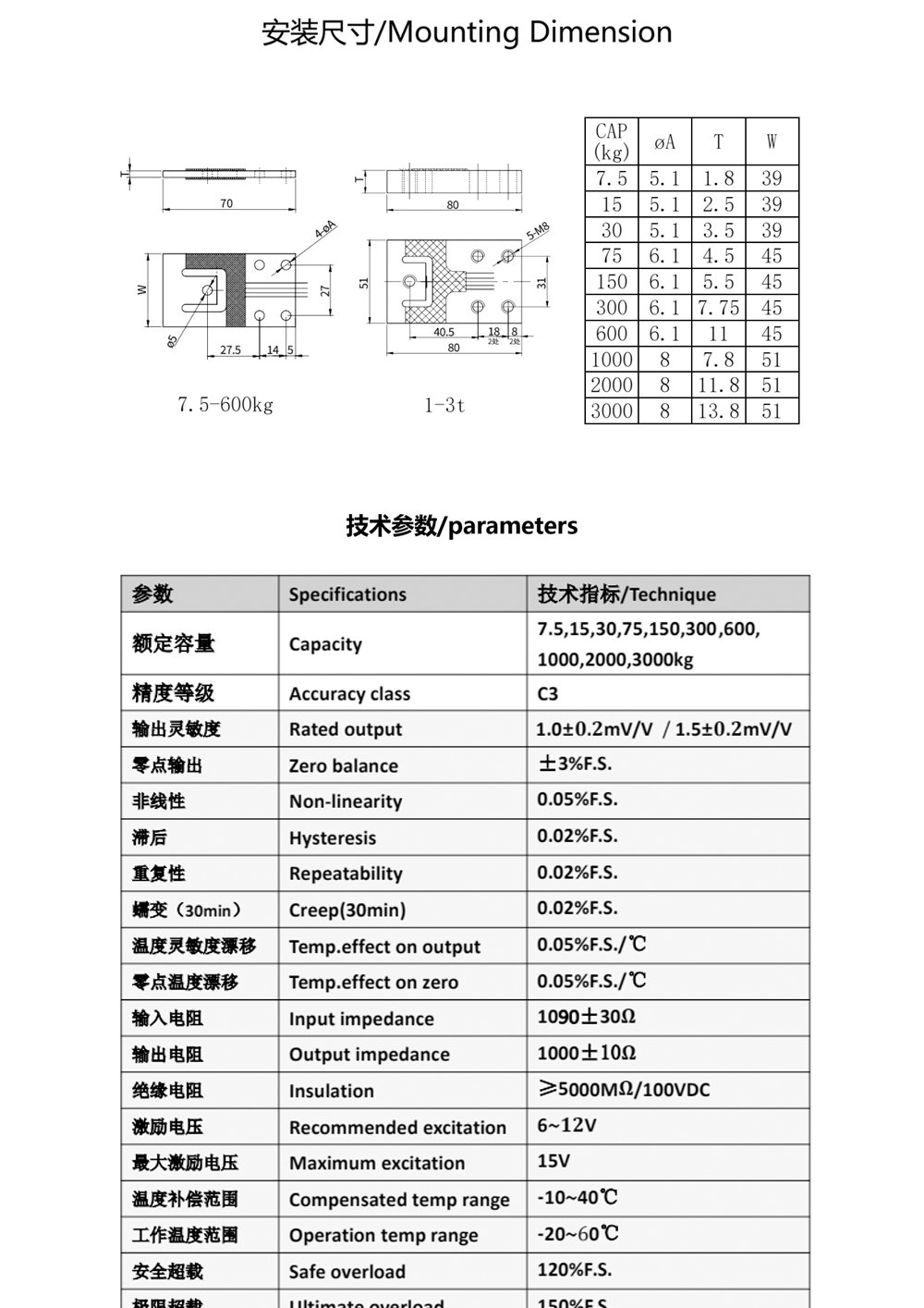
AT8545 Flat Beam Weighing Sensor
Features and uses:
※ Aluminum alloy material
※ High precision and strong resistance to eccentric loads
※ Easy to install
※ Widely applicable to ultra-thin weighing platforms

케이센서스 스마트스토어
Features and uses:
※ Aluminum alloy material
※ High precision and strong resistance to eccentric loads
※ Easy to install
※ Widely applicable to ultra-thin weighing platforms
Features and uses:
※ Aluminum alloy material
※ High precision and strong resistance to eccentric loads
※ Easy to install
※ Widely applicable to ultra-thin weighing platforms

Widely used in electronic scales, counting scales, electronic balances and industrial weighing systems.
Material: Aluminum alloy
definition: High precision Strong anti-eccentricity
A806 Load Cell are well-crafted, beautiful in appearance, and have both excellent performance and excellent quality. Once they are on the market, they have quickly been loved and sought after by the majority of customers.
Suitable for ultra-trace testing, medical testing, dispensing volume testing, electronic scales, counting scales, electronic balances and industrial weighing systems
A803 Load Cell are well-crafted, beautiful in appearance, and have both excellent performance and excellent quality. Once they are on the market, they have quickly been loved and sought after by the majority of customers.
Высокоточное взвешивание малых масс с отличным соотношением цена/качество
Применимо для легального коммерческого взвешивания, класс точности C3
Компенсация смещённой нагрузки обеспечивает надёжные измерения
Диапазон номинальных грузоподъёмностей: 300 г – 3 кг, подходит для платформ до 200 × 200 мм
Конструкция с защитой IP65 обеспечивает надёжную работу даже в промышленных условиях
Very low corner load error
Good cost-benefit ratio
Available with 05 % accuracy and in a legal-for-trade version
Use in hazardous zone with protection class Ex ia IIC T4 Gb / Ex ia IIIC T125 °C Da or protection class
Ex nA IIC T4 Gc / Ex tc IIIC T125 °C Dc
ATEX and IECEx certification
Optimized by exact calibration for parallel circuits
Six-wire circuitry
100 % Stainless steel
Widely used in process weighing systems in industries such as stainless steel waterproof scales, chemical waterproof pharmaceuticals, etc.
Material: sstainless steel, Good stability
definition: High overall sensitivity Four corner deviations have been compensated
Widely used in electronic scales, counting scales, electronic balances and industrial weighing systems.
Material: Aluminum alloy
definition: High precision Strong anti-eccentricity
Widely used in process weighing systems in industries such as stainless steel waterproof scales, chemical waterproof pharmaceuticals, etc.
Material: stainless steel, High overall sensitivity
definition: Good stability Four corner deviations have been compensated
A642R Load Cell are well-crafted, beautiful in appearance, and have both excellent performance and excellent quality. Once they are on the market, they have quickly been loved and sought after by the majority of customers.
A801 Load Cell are well-crafted, beautiful in appearance, and have both excellent performance and excellent quality. Once they are on the market, they have quickly been loved and sought after by the majority of customers.
WhatsApp us
