NS-NJ6 series multi-component moment sensor
Parameter

Dimensions

Wiring Definition

Selection table

케이센서스 스마트스토어
Parameter

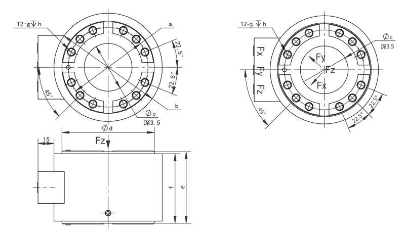
Dimensions

Wiring Definition

Selection table

Suitable for the measurement and control of static and discontinuous rotation torque.
| Model: | NF602B |
| Category: | Torque Sensor |
| Capacity: | 0.1,0.2,0.5,1,2,3,5,10N.m |
| Rated Output: | 1.5±10%mV/V |
| Material: | aluminum alloy |
| Protection Class: | IP65 |
| Weight: | 0.2KG |
It is suitable for static and discontinuous rotation torque measurement.
Material: Aluminum alloy
Exterior: Compact structure Easy to install
Static Torque Sensor
D 41.2mm*H 25mm
Capacity: 1,2,3,5,10,20,30, 50,100N.m
Category: Static Reaction Torque Sensor
Product description:
Capacity :1~10~500N.m
Material: alloy steel
Type: torque type
Defend grade: IP67.
Small size, light weight and easy for installation.
Application: suitable for static and non-continuous rotation torque force measurement.
Product description:
Capacity :0-10N.m
Material: aluminum alloy
Type: torque type
Defend grade: IP65.
High accuracy, high stability, anti-interference
Application: suitable for static and non-continuous rotation torque force measurement.
WhatsApp us
