T6 dynamic torque
Technical parameters
| Category | Parameter | Value / Unit |
|---|---|---|
| Accuracy Class | ( MAX ERROR ) | |
| Combined Accuracy — % FS | ± 0.1 | |
| Repeatability — % | ± 0.02 | |
| Temperature | ||
| Zero Drift — %RO/°C — MAX | ± 0.02 | |
| Sensitivity Drift — %RO/°C — MAX | ± 0.01 | |
| Compensated Temp. Range — °C | +5 to +45 | |
| Operating Temp. Range — °C | 0 to +60 | |
| Electrical | ||
| Output Signal — VDC | ± 5 | |
| Bandwidth — Hz | 3 kHz -3dB | |
| Calibration Signal — %FS | 100 | |
| Speed Signal Output — pulse/rev | 60 | |
| Operating Voltage — VDC | 12 to 28 | |
| Operating Current — mA | 60 | |
| Electrical Connection | 12-pin | |
| Resolution | 16-bit | |
| Sampling Rate — kHz | 5 | |
| Mechanical | ||
| Safe Overload — % RO | 200 | |
| Cyclic Rated Load — % RO | ± 70 peak | |
| Ultimate Overload — % RO | Varies with capacity. See Table | |
| Shaft Material | Stainless Steel | |
| Housing Material | Aluminum Alloy |

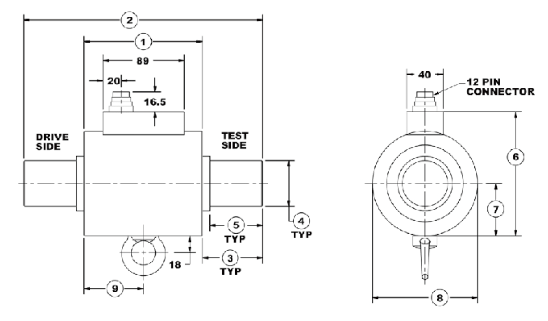
Dimensions





















