Категория: Метка: Бренд:

Interface / T3/T5 dynamic torque


T3 measuring range: 0.1Nm~20kNm

T5 measuring range: 0.1~1kNm

Accuracy: ±0.1%FS


Share it:

T3/T5 dynamic torque

Technical parameters

Category Parameter T2 Grade T4 Grade
Accuracy Class ( MAX ERROR )
Combined Accuracy — % FS ± 0.1 ± 0.2
Repeatability — % ± 0.02 ± 0.04
Temperature
Zero Drift — %RO/°C — MAX ± 0.02 ± 0.03
Sensitivity Drift — %RO/°C — MAX ± 0.01 ± 0.015
Compensated Temp. Range — °C +5 to +45 +5 to +45
Operating Temp. Range — °C 0 to +60 0 to +60
Electrical
Output Signal — VDC ± 5 ± 5
Bandwidth — Hz 3 kHz -3dB 3 kHz -3dB
Calibration Signal — %FS 100 100
Operating Voltage — VDC 12 to 28 12 to 28
Operating Current — mA 60 60
Electrical Connection 8 or 12-pin 8 or 12-pin
Resolution 16-bit 16-bit
Sampling Rate — kHz 10 10
Mechanical
Safe Overload — % RO 200 200
Cyclic Rated Load — % RO ± 70 peak ± 70 peak
Ultimate Overload — % RO \Varies with capacity \Varies with capacity
Shaft Material Stainless Steel Stainless Steel
Housing Material Aluminum Alloy Aluminum Alloy

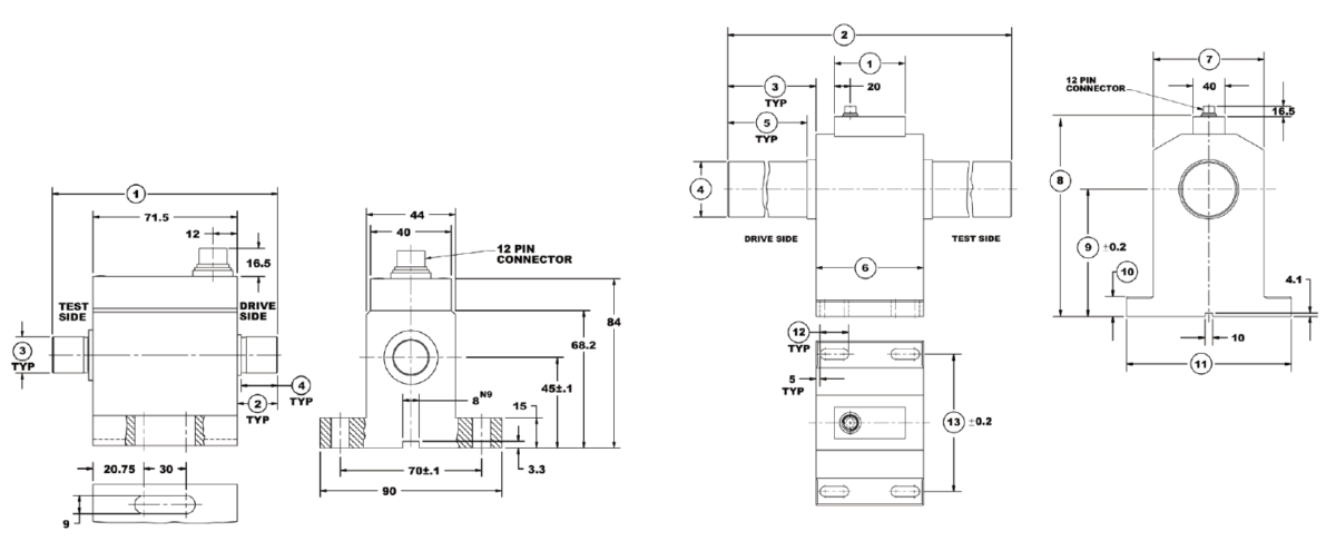
Dimensions

T3/T5

T3/T5

T3/T5

 

T3/T5