WL-129H Hygienic Load Cell (10-200kg) — Stainless Steel, Sealed for Food/Pharma
Features & Applications
Key Features:
-
Hygienic bending beam design
-
Stainless steel, hermetically sealed
-
10kg-200kg capacity range
-
Seamless, easy-clean surface
-
mg-level high precision
-
Parallel connection capability
Main Applications:
✔ Food processing equipment
✔ Pharmaceutical production
✔ Building material packaging
✔ High-sanitation industries
Specifications
| Capacity | 10/20/50/100/200kg |
| Combined Error | 0.018%F.S. |
| Non-linearity | 0.018%F.S. |
| Repeatability | 0.018%F.S. |
| Rated Output | 2.0±0.05mV/V |
| Zero Balance | ±0.2mV/V |
| Insulation Resistance | ≧5000Ω/100VDC |
| Recommended Excitation | 5~15VDC |
| Material | Stainless Steel |
| Nominal Displacement | 0.24/0.3/0.29/0.28/0.27mm |
| Safe Overload | 150%F.S |
| Protection Class | IP68/P69 (Customizable) |
| Operation Temp | -10~50°C |
| Cable Size | Ф5.4x1500mm(Customizable) |
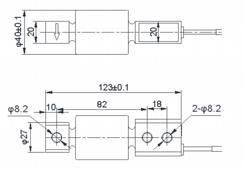
Dimensions (mm)

Load direction

Wiring code

















