B9C Dual Shear Beam Load Cell ZEMIC Load Cell

Short Description:
◎Stainless steel IP67 dual shear beam load cell;
◎High accuracy;
◎Suitable for truck scales and other heavy weighing devices;
◎Sealed construction;
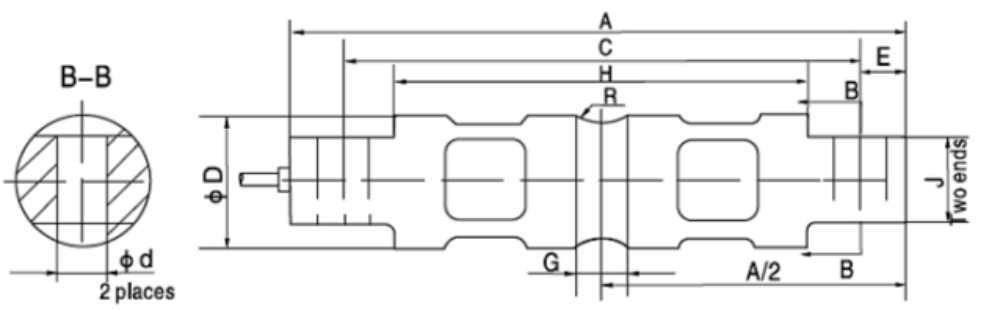
Dimensions in mm:

Available models:
Specification:
Wiring:
◎Shielded, 4 conductor cable;
◎Cable diameter for 5k – 20k:Φ5mm and for 30k – 250k: Φ8mm;
◎Standard cable length: 9m;
◎Shield not connected to element;















