Zemic / B9E Zemic Load Cell Shear Beam Load Cell



Share it:

B9E Zemic Load Cell Shear Beam Load Cell 

Product Description

图片1

Short Description:

◎Stainless steel construction, dual shear beam structure, adhesive sealed, compression loading available;

◎Ingress protection (according to EN 60529): IP67;

◎Suitable for electronic truck scales, hopper scales, track scales and other electronic weighing devices;

Available models:

Capacity Accuracy Full article description
xxklb C3 B9E-C3-xxK-9B

Specification:

Maximum capacity ( Emax ) klb 50/60/65/75/100/125/150
Accuracy class C3
Maximum number of verification intervals N.max 3000
Maximum number of load cell intervals ( nLC ) vmin Emax/10000
Combined error %FS ±0.020
Creep %FS/30min ±0.016
Temperature effect on sensitivity %FS/10℃ ±0.011
Temperature effect on zero %FS/10℃ ±0.015
Output sensitivity ( = FS ) mV/V 3.0±0.003
Input resistance Ω 700±7
Output resistance Ω 703±4
Insulation resistance ≥ 5000(50VDC)
Zero balance %FS ±1.0
Compensated temperature -10~+40
Operating temperature -35~+65
Excitation, recommended voltage V 5~12(DC)
Excitation maximum V 18(DC)
Safe overload of Emax 150
Ultimate overload of Emax 300
ATEX classification (optional) II1G Ex ia IIC T4 II1D Ex iaD20 T73℃ II3G Ex nL II C T4

 

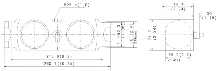
Dimensions in mm:

图片2图片3

Wiring:

◎Adopt shielded, 4 conductor cable: Φ5mm;

◎Standard cable length: 9m;