Ultra Force / TQ903S Micro Torque Sensor


Static torque sensors are used to measure static, non-continuous rotational torque values.


Share it:

TQ903S Micro Torque Sensor

Product Description

Features And Uses

Static torque sensor;

Compact structure, easy to install;

Protection grade: IP65;

Used to measure static and non-continuous rotating torque values;

Application field: automobile assembly, automatic assembly, 3C product testing, new energy product assembly, medical testing, robot, mold assembly and other industrial testing, measurement and control system.

 

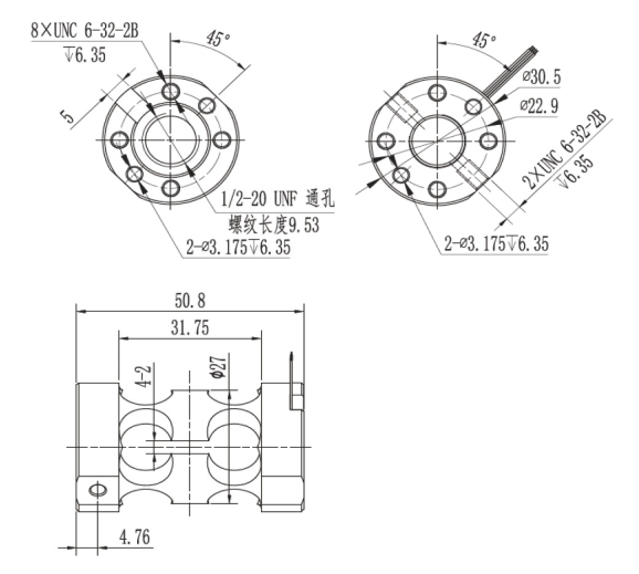
Mounting Dimension

TQ903S Micro Torque Sensor

 

Parameter List

Rated Range 0.1, 0.3, 1.5, 3,6,10,12 N.m Insulation Resistance ≥ 5000mΩ/100VDC
Output Sensitivity ≥ 0.8mV /V (0.1~ 0.3N.m)

≥1.8 mV/V (1.5 N.m)

Excitation Voltage 5-12V
Zero Point Balance ±3%F.S. The Maximum Excitation Voltage 15 volts
Nonlinearity 0.2%F.S. Temperature Compensation Range -10~60℃
Lag Error 0.2%F.S. Operating Temperature Range -20~80℃
Repeatability 0.2%F.S. Safe Load(E L) 120%F.S.
Creep (30 Minutes) 0.2%F.S. Failure Load(E D) 150%F.S.
Sensitivity Drift Temperature Coefficient 0.05%F.S./10℃ Cable Dimension
Zero Drift Temperature Coefficient 0.05%F.S./10℃ Cloth
Input Resistance 1000±20Ω Unit Weight
Output Resistance 1000±10Ω Protection Ip65

 

 

Direction Of Force Wiring Method
TQ903S Micro Torque Sensor TQ903S Micro Torque Sensor