TQ903 Micro Torque Sensor
Product Description
Features And Uses
Static torque sensor;
Compact structure, easy to install;
Protection grade: IP65;
Used to measure static and non-continuous rotating torque values;
Application field: automobile assembly, automatic assembly, 3C product testing, new energy product assembly, medical testing, robot, mold assembly and other industrial testing, measurement and control system.
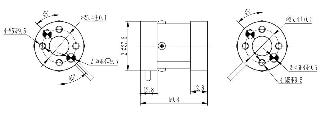
Mounting Dimension

Parameter List
| Rated Range | 0.5,1,2,3,5,6,10,20,30,50,75100150 200 Nm | Insulation Resistance | ≥ 2000mΩ/50VDC |
| Output Sensitivity | 1.5±20%mV/V (≤2N.m)
1.0±20%mV/V(>2N.m) |
Excitation Voltage | 5-12V |
| Zero Point Balance | ±5%F.S. | The Maximum Excitation Voltage | 15 volts |
| Nonlinearity | 0.1%F.S. | Temperature Compensation Range | -20~40℃ |
| Lag Error | 0.1%F.S. | Operating Temperature Range | -20~60℃ |
| Repeatability | 0.1%F.S. | Safe Load(E L) | 120%F.S. |
| Creep (30 Minutes) | 0.1%F.S. | Failure Load(E D) | 150%F.S. |
| Sensitivity Drift Temperature Coefficient | 0.01%F.S./10℃ | Cable Dimension | Φ3×4000mm |
| Zero Drift Temperature Coefficient | 0.01%F.S./10℃ | Cloth | |
| Input Resistance | 780±20Ω | Unit Weight | |
| Output Resistance | 700±10Ω | Protection | Ip65 |
| Direction Of Force | Wiring Method |
![]() |
![]() |




















