TQ903L Static Torque Sensor
Product Description
Features And Uses
Static torque sensor;
Compact structure,easy to install;
IP65 protection;
Used for measurement of static,non-continuous rotational torque force;
Patent Products,can not be copied.
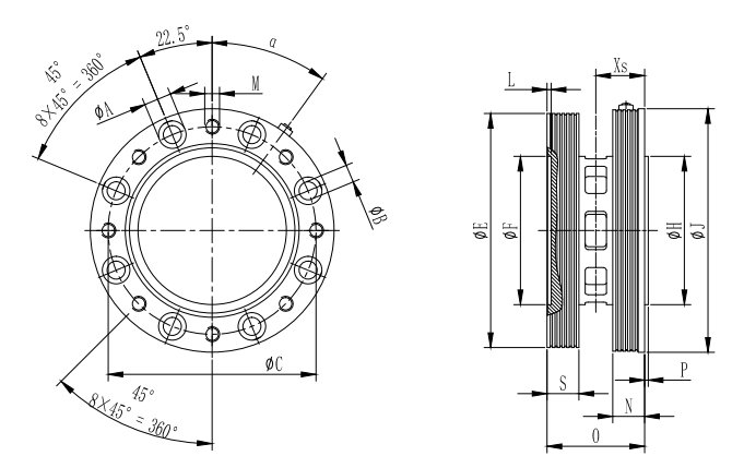
Mounting Dimension

| Range | φA | φB | φC | φE | φF | φH | φJ |
| 50N.m-1KN.M | 17 | 10 | 101.5 | 120 | 75H6 | 75g5 | 124 |
| 2-3KN.M | 19 | 12 | 130 | 155 | 90H6 | 90g5 | 160 |
| 5KN.M | 22 | 14.2 | 155.5 | 179 | 110H6 | 110g5 | 188 |
| 10KN.M | 26 | 17 | 196 | 221 | 140H6 | 140g6 | 230 |
| 20KN.M | 33 | 21 | 245 | 285 | 175H6 | 175g5 | 285 |
| Range | a | M | S | L | N | O | P | XS |
| 50N.m-1KN.M | 35.8 | M10 | 18 | 4 | 18 | 60 | 2(+0.4 -0.0) | 30 |
| 2-3KN.M | 35 | M12 | 20 | 4 | 20 | 64 | 2.5(+0.4 -0.0) | 32 |
| 5KN.M | 35 | M14 | 26 | 3 | 26 | 84 | 2.8 | 42 |
| 10KN.M | 10 | M16 | 30 | 4 | 30 | 92 | 3.5(+0.5 -0.0) | 46 |
| 20KN.M | 35 | M20 | 35 | 7 | 35 | 110 | 6.5(+0.5 -0.0) | 55 |
Parameter List
| Specifications | Technique |
| Rated range | 1.0±20%mV/ |
| Zero balance | ±3%mV/V |
| Nonlinearity | 0.03%F.S. |
| Hysteresis | 0.03%F.S. |
| Repeatability | 0.03%F.S. |
| Creep (30 Minutes) | 0.03%F.S. |
| Sensitivity Drift Temperature Coefficient | 0.03%F.S./10℃ |
| Zero Drift Temperature Coefficient | 0.03%F.S./10℃ |
| Input Resistance | 1000±20Ω |
| Output Resistance | 1000±10Ω |
| Insulation Resistance | ≥5000MΩ/100VDC |
| Excitation Voltage | 5V |
| The Maximum Excitation Voltage | 15V |
| Temperature Compensation Range | -10-60℃ |
| Operating Temperature Range | -20-80℃ |
| Safe overload | 120%F.S |
| UItimate overload | 150%F.S |
| Cable size | φ4/φ6×3m |
| Protection | IP66 |
| Direction Of Force | Wiring Method |
![]() |
![]() |



















