MT508 3 Axis Force Sensor
Product Description
Features And Uses
4 components:Fx,Fy,Fz,Mx,My,Mz;
For static and dynamic loads;
Maximum precision and versatility;
Integrated mechanical decoupling;
Custom engineered measuring platform.
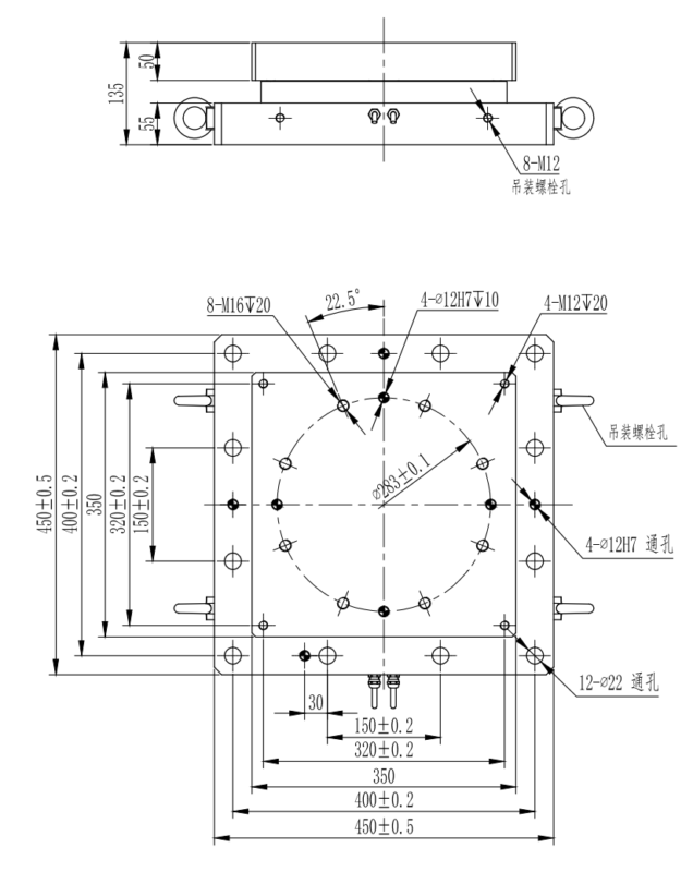
Mounting Dimension

Parameter List
| Specifications | Technique |
| Rated range | Fx=10kg Fy=5kN Fz=23kN
Mx=2.5kN.m Fy=5kN.m Fz=23kN.m |
| Output Sensitivity | =1.0mVN |
| Zero balance | ±5%mVN |
| Nonlinearity | 1%F.S. |
| Hysteresis | 1%F.S. |
| Repeatability | 0.5%F.S. |
| Creep (30 Minutes) | 0.3%F.S. |
| Sensitivity Drift Temperature Coefficient | 0.1%F.S./10℃ |
| Zero Drift Temperature Coefficient | 0.1%F.S./10℃ |
| Input Resistance | 380780±20Ω |
| Output Resistance | 350700±10Ω |
| Insulation Resistance | ≥2000MΩ/50VDC |
| Excitation Voltage | 5~12V |
| The Maximum Excitation Voltage | 15V |
| Temperature Compensation Range | -10-40℃ |
| Operating Temperature Range | -20-60℃ |
| Safe Overload | 120%F.S |
| Ultimate overload | 150%F.S |
| Cable size | 2-p6X4m |
| Protection | IP66 |
| Direction Of Force | Wiring Method |
![]() |
![]() |






















