Models
FA702
Features
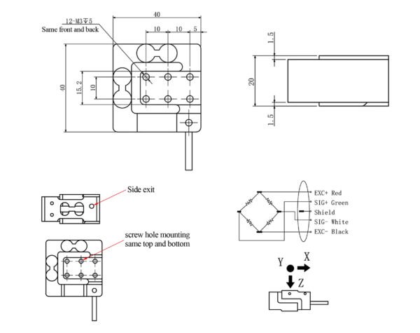
Dimension:L=40mm,W=20mm,H=40mm
Interference Error:≤0.5%F.S.
Material:Aluminium Alloy
Dimensions

Specifications
| Item | Unit | Specification |
|---|---|---|
| Capacity | N | X/Y/Z: 5 / 10 / 20 / 30 / 50 |
| Sensitivity | mV/V | ≈ 1.0 |
| Zero Balance | mV/V | ±2% |
| Creep | %F.S. | ≤ 0.5 |
| Non-linearity | %F.S. | ≤ 0.2 |
| Hysteresis | %F.S. | ≤ 0.2 |
| Repeatability | %F.S. | ≤ 0.2 |
| Input Impedance | Ω | 350 ± 5 |
| Output Impedance | Ω | 350 ± 5 |
| Temperature Effect on Output | %F.S./10℃ | 0.1 |
| Temperature Effect on Zero | %F.S./10℃ | 0.1 |
| Insulation Resistance | MΩ (100VDC) | ≥ 5000 |
| Recommended Excitation | V | 5 ~ 12 |
| Maximum Excitation | V | 15 |
| Compensated Temp. Range | ℃ | -10 ~ +40 |
| Operating Temp. Range | ℃ | -20 ~ +75 |
| Safe Overload | %F.S. | 150 |
| Ultimate Overload | %F.S. | 200 |
| Cable Size | mm | Φ2 × 3000 |
| Material | — | Aluminium Alloy |
본 게시물은 케이센서스에 저작권이 있습니다. 무단으로 전제 및 도용 시 법적으로 처벌 될 수 있습니다. Copyright 2025. 케이센서스(KSENSORS) Co. All rights reserved. |




















