LC6002 Sub-Miniature Sensors Strong Stability Bolt Safe Load Cell 0-50/100/200/500/1000N

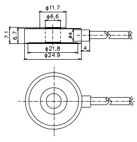
Dimension:

Description:
Features and applications: hollow structure, small size, strong stability, high speed dynamic corresponding, strong resistance to bias. The utility model is mainly applied to the tension and pressure of screws and bars, and the force measurement of a force measuring device in a plurality of occasions.
Technical Data:
















