LC3531 Platform Load Cell Weight Sensor Miniature Sensors

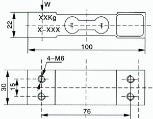
Dimensions:

Technical Parameter:
케이센서스 스마트스토어

Dimensions:

Technical Parameter:
| Model | LC3531 | Temp.Effect on Output | ±0.02%F.S/10℃ |
| Capacity | 5/15/40kG | Zero Output | ±0.08%F.S |
| Comprehensive Error | 0.03 | Input Resistance | 395±10Ω |
| Output Sensitivity | 2.0±0.2mV/V | Output Resistance | 350±10Ω |
| Non-linearity | ±0.02%F.S | Insulation Resistance | ≥3000MΩ (50V) |
| Repeatability | ±0.02%F.S | Excitation Voltage | ≤10V |
| Hysteresis | ±0.02%F.S | Operation Temp.Range | -10–+40℃ |
| Creep | ±0.03(5min)%F.S | Overload Capacity | 150%F.S |
| Temp.Effect on Zero | ±0.05%F.S/10℃ | Recommended Use | For waterproof scales |
| Product name | LC3531 Platform Load Cell Weight Sensor Miniature Sensors |
| Brand | SAINTBOND |
| Market | All over the world |
| Features | High precision and stable performance |
| Advantage | 0EM/ODM |
| Sample Lead Time | 5~ 40Days |
| Sample price | The price is different according to product capacity |
| Custom Design | Welcome |
| Form of sale | Factory supply |
Capacity: 100–750 kg
Material: Aluminum
Type: Single Point
Protection Rating: IP66
Suitable for platform scales with single or dual load cell structures.
용량:300, 500, 750SE, 750, 1,000, 2,000
재질 : Aluminum
타입 : Single Point
보호등급 : IP66
용량:100, 200, 300, 500, 750
재질 : stainless steel
타입 : Single Point
보호등급 : IP68 / IP69K
용량:11, 22, 60, 100kg
재질 : stainless steel
타입 : Single Point
보호등급 : IP68 / IP69K
용량:50, 100, 300ㅏㅎ
재질 : stainless steel
타입 : Single Point
보호등급 : IP67
Capacity: 60–200 kg
Material: Stainless steel
Type: Single Point
Protection Rating: IP68 / IP69K
Suitable for stainless steel waterproof scales and process weighing control in the chemical, food, and pharmaceutical industries.
Features
용량:10, 20, 30, 50, 100kg
재질 : Aluminum
타입 : Single Point
보호등급 : IP66
용량:50, 100, 200, 300, 500kg
재질 : stainless steel
타입 : Single Point
보호등급 : IP68 / IP69K
용량:10, 20, 30, 50, 100kg
재질 : Aluminum
타입 : Single Point
보호등급 : IP66
용량:100, 150, 200, 300, 500, 750kg
재질 : Aluminum
타입 : Single Point
보호등급 : IP66
용량:150, 250, 500, 1000kg
재질 : Alloy steel
타입 : Single Point
보호등급 : IP65
용량:3, 5, 7, 10, 15, 20, 30kg
재질 : Aluminum
타입 : Single Point
보호등급 : IP67
WhatsApp us
