MLC401E Compression Force Load Cell 400T
Product Picture
Product Overview
- Model: MLC401L
- Category: Column Load Cell
- Measuring Range: 1t, 2t, 3t, 5t, 10t, 15t, 20t
- Size: 88×64 mm; 106×76 mm; 130×88 mm
- Material: Alloy Steel, Stainless Steel
- Applications: Hydraulic dynamometer, pressure test, large range load cell, oil pressure dynamometer, electronic floor scale, truck scale
※ Specifications are for reference only. ODM customization is available.
Technical Specifications
| Comprehensive Error | 0.02% FS | Output Resistance | 700 ±10 Ω |
| Rated Output | 1.5 ±0.002 mV/V | Insulation Resistance | ≥5000 MΩ (100VDC) |
| Non-linearity | 0.02% FS | Excitation Voltage | 9–12 VDC |
| Hysteresis | 0.02% FS | Compensated Temperature | -10~+40 ℃ |
| Repeatability | 0.01% FS | Use Temperature | -40~+80 ℃ |
| Creep | 0.02% FS / 10 min | Temp Effect on Zero | 0.017% FS / 10 ℃ |
| Zero Balance | ±1% FS | Temp Effect on Span | 0.014% FS / 10 ℃ |
| Input Resistance | 700 ±10 Ω | Protection Grade | IP68 |
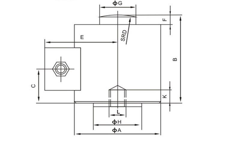
Product Dimension
| Measuring Range | A | B | C | D | E | F | G | H | K | L |
|---|---|---|---|---|---|---|---|---|---|---|
| 20t | 76 | 82.6 | 48 | 150 | 56 | 9 | 31.8 | 48 | 10 | M12 |
| 25t | 100 | 117 | 65 | 150 | 76 | 12 | 38 | 38 | 14 | M20 |
| 30t | 100 | 117 | 65 | 150 | 76 | 12 | 38 | 38 | 14 | M20 |
| 40t | 100 | 117 | 65 | 150 | 76 | 12 | 38 | 38 | 14 | M20 |
| 50/60t | 107 | 127 | 66 | 200 | 81 | 12.7 | 58 | 64 | 14 | M20 |
| 70t | 125 | 142 | 91 | 250 | 86.5 | 13 | 58 | 64 | 14 | M20 |
| 100t | 165 | 184 | 104 | 300 | 111.8 | 20 | 70 | 70 | 20 | M20 |
| 150t | 165 | 184 | 104 | 300 | 111.8 | 20 | 70 | 78 | 20 | M20 |
| 200t | 223 | 250 | 152 | 500 | 137.5 | 20 | 100 | 112 | 36 | M24 |
| 300/400t | 223 | 250 | 152 | 500 | 137.5 | 20 | 108 | 112 | 36 | M24 |
Force Structure & Assembly Reference
















