K-22 Column Force Sensor
Technical parameters

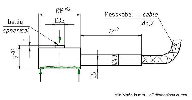
Dimensions

케이센서스 스마트스토어
Technical parameters

Dimensions

이 센서는 링 구조를 가지고 있어 빠른 동적 응답이 가능하며, 정적 교정 상태를 장시간 유지할 수 있습니다. 자체 전원이 없는 수동형으로, 전하 측정용 계측기와 함께 사용됩니다.
이 센서는 안정성과 내구성이 뛰어나고, 간편한 설치 및 강력한 신호 간섭 저항 특성을 갖추고 있어, 무게 측정 장비 및 자동화/테스트 분야에 널리 사용됩니다.
이 제품은 링형 구조로 빠른 동적 응답성과 긴 캘리브레이션 지속 시간을 갖추고 있으며, 전원이 필요 없는 수동형 센서로 전하 증폭기 등과 함께 사용하는 데 적합합니다.
이 제품은 전하 출력 센서로서, X·Y·Z 축의 힘을 동시에 측정할 수 있으며, 기계 시스템의 임피던스 분석이나 구조물의 모달 해석 등 정밀한 동적 특성 평가에 적합합니다.
이 센서는 낮은 구조 높이와 넓은 하중 면적을 특징으로 하며, 정밀도와 장기 안정성이 뛰어나 각종 압력 시험기 및 자동화 설비에 적합합니다.
마이크로 힘 센서(Micro Force Sensor)는 압축 및 인장 겸용 MDT 로드셀로, 스테인리스 스틸 소재로 제작되었으며 IP66 등급의 방진방수 기능을 갖추고 있습니다. 측정 용량은 2kg부터 50kg까지 지원됩니다.
MDT는 인장과 압축을 모두 측정할 수 있는 이중 용도의 초소형 로드셀입니다. 스테인리스 스틸로 제작되어 부식성 및 습한 환경에서도 정상적으로 사용할 수 있습니다. 크기가 작고 구조가 컴팩트하여 설치가 간편하며, 높은 종합 정밀도와 우수한 안정성을 제공합니다. 작업 공정 중의 힘을 모니터링하기 위해 장비 내부에 설치할 수 있습니다.
이 제품은 작고 가벼우며, 높은 강성과 편리한 설치성을 갖추고 있어 정적 및 동적 하중 측정이나 캘리브레이션 용도로 적합합니다.
이 제품은 구조가 낮고 넓은 하중 면적을 가지며, 고정밀 및 우수한 장기 안정성을 특징으로 합니다. 고급 니켈 도금 합금강 소재로 제작되었으며, 배터리 압착, 재료 시험, 자동화 장비 등의 압력 측정에 적합한 센서입니다.
이 제품은 빠른 동적 응답성과 장시간 유지되는 정적 교정 특성을 갖추고 있으며, 인장·압축 간 감도 오차가 작아 정밀한 측정에 적합합니다.
이 제품은 빠른 동적 반응과 장시간 안정된 정적 보정을 제공하며, 인장·압축 감도 오차가 작아 정밀한 측정에 적합합니다.
이 센서는 전하 출력을 기반으로 하며, X·Y·Z 축의 힘을 동시에 정밀하게 측정할 수 있어 기계 시스템의 동역학 해석 및 진동 응답 실험에 적합합니다.
이 센서는 빠른 동적 응답과 안정적인 정적 교정 지속성을 가지며, 인장 및 압축 감도 간의 오차가 작아 고정밀 힘 측정에 적합합니다.
WhatsApp us
