K-100 Column Force Sensor
Technical parameters

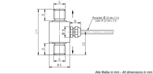
Dimensions


케이센서스 스마트스토어
Technical parameters

Dimensions


LSM100 소형 인장·압축 하중 센서는 알루미늄 합금 재질로 제작되었으며, IP65 등급의 방진·방수 보호 기능을 갖추고 있습니다. 측정 용량은 2kg에서 50kg까지 지원합니다.
소형이며 낮은 높이의 구조로, 컴팩트한 디자인과 간편한 설치가 특징입니다.
종합 정밀도가 높고 장기적인 안정성이 우수하며, 알루미늄 합금 재질로 제작되었습니다.
하중 제어 및 계측 용도에 적합하며, 볼트 고정 방식의 설치가 가능하고, 기기 내부에 장착하여 작업 공정 중의 하중을 실시간으로 모니터링할 수 있습니다.
이 제품은 작고 가벼우며, 높은 강성과 편리한 설치성을 갖추고 있어 정적 및 동적 하중 측정이나 캘리브레이션 용도로 적합합니다.
이 제품은 빠른 동적 반응과 장시간 안정된 정적 보정을 제공하며, 인장·압축 감도 오차가 작아 정밀한 측정에 적합합니다.
이 제품은 빠른 동적 응답, 장시간 유지되는 정적 교정 특성, 그리고 인장·압축 간 감도 오차가 작아 고정밀 측정에 적합합니다.
이 센서는 안정성과 내구성이 뛰어나고, 간편한 설치 및 강력한 신호 간섭 저항 특성을 갖추고 있어, 무게 측정 장비 및 자동화/테스트 분야에 널리 사용됩니다.
이 센서는 전하 출력을 사용하며, 3축 방향의 힘을 동시에 정밀하게 측정할 수 있어 기계 임피던스 분석과 모달 해석 등의 진동 실험에 적합합니다.
이 센서는 환형 구조와 빠른 동적 응답 특성을 갖추고 있으며, 장시간 정적 안정성을 유지할 수 있습니다. 전원이 필요 없는 수동형 설계로, 전하 증폭기 등과 함께 사용하는 데 적합합니다.
이 센서는 전하 출력을 기반으로 3축 방향의 힘을 동시에 정밀하게 측정할 수 있어, 기계 임피던스 분석이나 모달 테스트와 같은 진동 실험에 효과적으로 활용됩니다.
이 센서는 비틀림 및 간섭에 강하고 안정성이 높아 다양한 중량 측정 장비와 자동화 시스템에 적합한 고성능 센서입니다.
이 센서는 낮은 높이와 넓은 하중 면적을 가지며, 정밀도와 안정성이 뛰어나 다양한 압력 시험 및 자동화 응용 분야에 적합한 고성능 압력 센서입니다.
이 센서는 전하 출력을 지원하며, 3축(수직) 방향의 힘을 동시에 측정할 수 있어 기계 임피던스 분석이나 구조물의 모달 해석과 같은 동역학 응용에 적합합니다.
C420 로드셀은 인장과 압축을 모두 측정할 수 있는 겸용 센서로, 5kg에서 5톤까지의 넓은 측정 범위를 지원합니다.
합금강 재질에 니켈 도금 처리된 표면을 갖추고 있으며, IP65 등급의 방진·방수 보호 기능을 제공합니다.
컴팩트한 구조로 설치가 간편하며, 하중 제어 및 측정에 적합한 제품입니다.
WhatsApp us
