TS11 Static torque Sensor
Technical parameters
| Category | Parameter | Value / Unit |
|---|---|---|
| Capacity | Imperial (lb-in) | 88.5, 221, 443, 885, 1.77k, 4.43k, <br> 8.85k, 17k, 44.3k, 88.5k, 177k |
| Metric (Nm) | 10, 20, 50, 100, 200, 500, <br> 1k, 2k, 5k, 10k, 20k | |
| Accuracy Class | ( MAX ERROR ) | |
| Repeatability — %FS | ± 0.02 | |
| Combined Error — %FS | ± 0.1 | |
| Temperature | ||
| Compensated Temp. Range — °C | -5 to +45 | |
| Operating Temp. Range — °C | -15 to +55 | |
| Temp. Effect on Zero — %RO/°C — MAX | ± 0.02 | |
| Temp. Effect on Sensitivity — %RO/°C — MAX | ± 0.01 | |
| Electrical | ||
| Sensitivity — mV/V | 0.5 / 1.0 | |
| Excitation Voltage — VDC MAX | 12 | |
| Output Resistance — Ohm | 350 | |
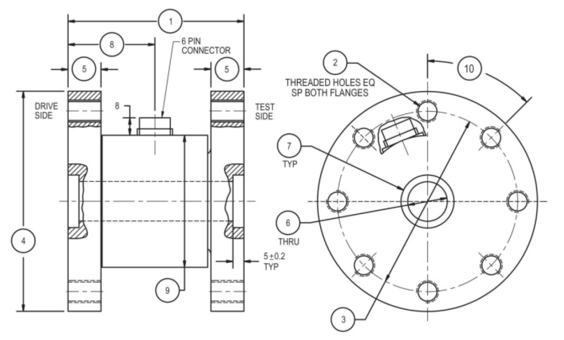
| Electrical Connection | 6pin | |
| Mechanical | ||
| Safe Overload — %CAP | 150 | |
| Safe Overhung Moment — %FS | 50 | |
| Angular Deflection at Rated Torque — ° | < 0.2 | |
| Cyclic Rated Load — %RO | ± 70 peak | |
| Material | Construction Material | Stainless Steel |
Dimensions





















