카테고리: 태그: 브랜드:

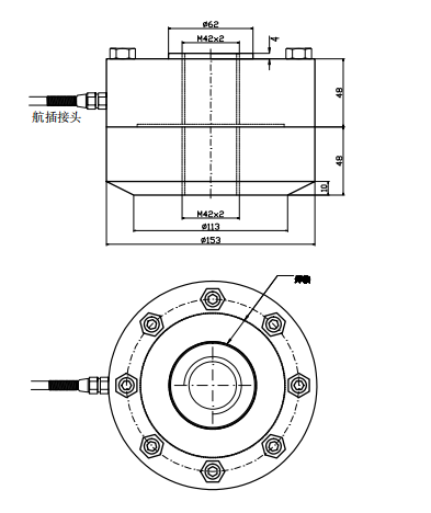
HUATRAN / LPS153-CP Spoke Force Sensor


Measuring range: ±10T, ±20T

Sensitivity: 1.0-2.0mV/V


Share it:

LPS153-CP Spoke Force Sensor

Technical parameters:

1. Measuring range: ±10T, ±20T

2. Sensitivity: 1.0-2.0mV/V

3. Input impedance: 385±35Ω

4. Output impedance: 350±3Ω

5. Overall accuracy: 0.3%FS

6. Excitation voltage: 5~12VDC

7. Operating temperature: -20~+70℃

8. Allowable overload: 150% FS

9. Protection rating: IP68 waterproof

10. Zero-point output: <2%FS

11. Material: Stainless steel

12. Insulation resistance: ≥2000MΩ

13. Cable: φ5mm x 50 meters

LPS153-CP