LB25 Column Force Sensors
Technical parameters
| Term | Value | Unit |
|---|---|---|
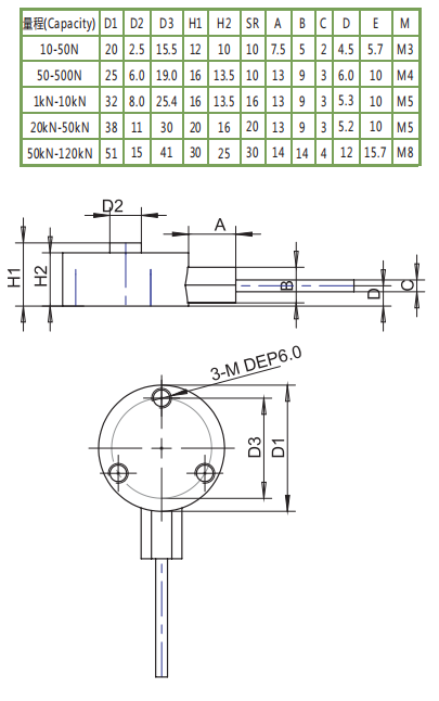
| Range / Capacity | 10N-120kN | |
| Output Sensitivity | 2.0 ± 10% | mV / V |
| Zero Output | ± 2 | % F.S. |
| Non-linearity | 0.5 | % F.S. |
| Hysteresis | 0.5 | % F.S. |
| Repeatability | 0.05 | % F.S. |
| Creep (30min) | 0.1 | % F.S. |
| Sensitivity Temp. Drift | 0.05 | % F.S. / 10°C |
| Zero Temp. Drift | 0.05 | % F.S. / 10°C |
| Input Resistance | 350 ± 5 | Ω |
| Output Resistance | 350 ± 5 | Ω |
| Insulation Resistance | ≥5000 | MΩ/100VDC |
| Operating Voltage | 5 | V |
| Maximum Voltage | 10 | V |
| Compensated Temp. Range | – 10 ~ 60 | °C |
| Operating Temperature | – 20 ~ 80 | °C |
| Safe Overload | 120 | % |
| Ultimate Overload | 150 | % |
| Cable Dimensions | Ø 3 x 3m | |
| Cable Connection Method | Excitation+ (Exc+): Red (红) | |
| Excitation- (Exc-): Black (黑) | ||
| Signal+ (Out+): Green (绿) | ||
| Signal- (Out-): White (白) | ||
Dimensions
















