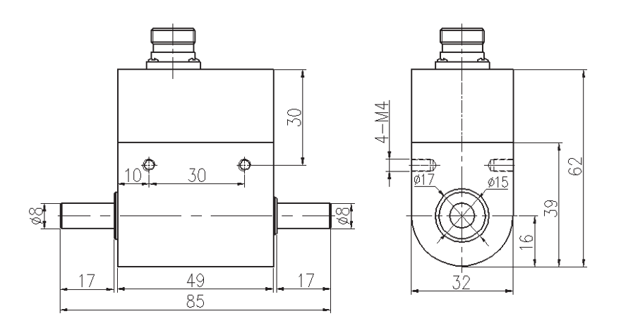
GTS203 Dynamic Torque Sensor

Features
- Contact dynamic torque, small range, small size, mV signal output
- Can measure torque values in both forward and reverse directions, but cannot measure rotational speed values
- Both ends are keyed, special shaft lengths can be customized
- Max speed≤1800r/min,Reach quickly 3000r/min
Specification
| Range | 0.1, 0.2, 0.3, 0.5, 1, 2, 3, 5(Nm) | ||
| Accuracy | ±0.2%F.S(Standard),
±0.1%F.S(Optional) |
Input Resistance |
350±10Ω,700±10Ω |
| Supply Voltage | 5~10VDC | Output Resistance | 350±10Ω,700±10Ω |
|
Rated Output |
0.1~0.2Nm,0.6±0.1mV/V | Response Frequency | 100us |
| 0.3~0.8Nm,0.8±0.1mV/V | Insulation Resistance | ≥2000MΩ/100VDC | |
| 1~5Nm,1.3±0.1mV/V | Safe Overload | 150%F.S | |
| Zero Output | ±2%F.S | Ultimate Overload | 200%F.S |
| Temp.Effect on Span | ±0.03%F.S/10℃ | Cable Length | Φ5.0mm×3m |
| Temp.Effect on Zero | ±0.03%F.S/10℃ | Material | Shaft:17-4PH,Housing: Aluminum |
| Compensated Temp.Range | -10~+60℃ |
Wiring Code |
E+: Red E-: Black |
| Operating Temp.Range | -20~+75℃ | S+: Greem S-: White | |

















