Three-component Force Sensor
Three-component Force Sensor

Description
The Three-component Force Sensor is a miniature high-precision force sensor, which is developed according to the advanced technical structure of the sensor. Its structure is characterized by 3 points of structural monomer, which is not only simple and reliable to install, but also has little cross-influence on test accuracy. The force values in the three directions of X, Y, and Z can be tested at the same time, so it is widely used in automotive testing, biological testing, robot manufacturing, force control systems for polishing and grinding equipment, transmission gear testing, and wheel stress conditions during vehicle movement. In addition, the three-component Force Sensor is made of alloy steel, so it is resistant to corrosion. Because of its small size and compact overall structure, it is very convenient to install and use. Our products have won high praise from customers after years of market practice.
Features
1. Resistance strain type, integrated product
2. High precision with stable and reliable performance.
3. 3-component force measurement
Technical parameters
| Technical parameters | |||
| range | 5-100kg | Materails | aluminum alloy, alloy steel |
| output sensitivity | 1.0-1.5 m V/V | impedance | 350Ω |
| zero output | ±2%F.S. | Insulation resistance | ≥5000MΩ/100VDC |
| nonlinear | 0.3%F.S. | Use voltage | 5-15V |
| Hysteresis | 1.0%F.S. | Operating temperature | -20~80℃ |
| repeatability | 0.05%F.S. | safety overload | 120% |
| Creep (30 minutes) | 0.05%F.S. | extreme overload | 150% |
| Temperature Sensitivity Drift | 0.5%F.S. | Cable specification | φ3*2m |
| Zero temperature drift | 0.05%F.S./10℃ | Cable ultimate tension | 10kg |
| corresponding frequency | 10kHz | TEDS optional | |
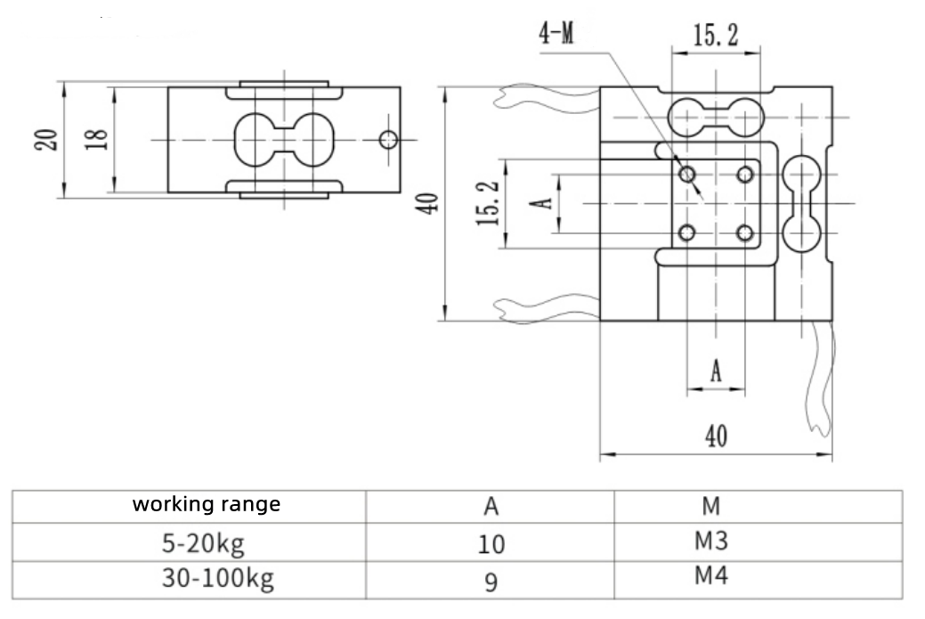
Dimension (mm)

Application






















