AT8500 Single-point Load Cell
Features and uses:
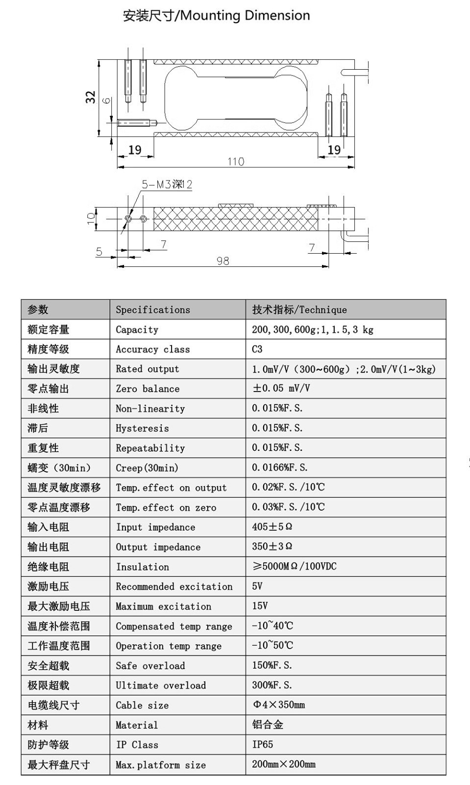
※ Aluminum alloy material
※ High precision and strong resistance to eccentric loads
※ Easy to install, IP65
※ Suitable for electronic scales, counting scales, electronic balances, and industrial weighing systems
















