Miniature load cell – AM43C
Description
2. Low profile, compact and strong structure;
3. High-frequency dynamic response;
4. Mainly used for the measurement of push and pull, injection molding and mold industry, robot grabbing, press-in, pull pressure detection and control, and automobile assembly force value detection.
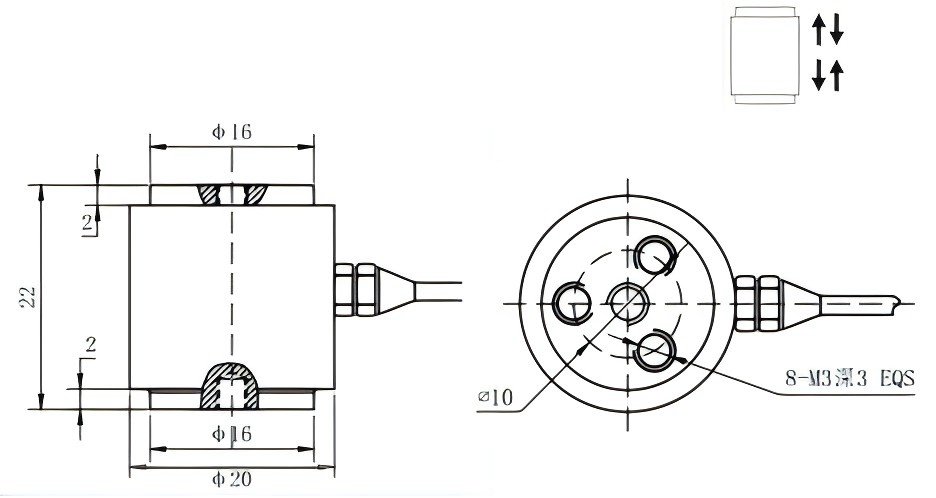
Drawing
Contact us if you need the Datasheet PDF.


















