Micro load cell-AM21B
Description
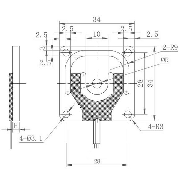
The AM21B load cell is a half-bridge load cell, same size with AM21A,generally use four pieces together, with a capacity range of 5kg~150kg, traditionally load cell 50kg is used in body scales and other weighing scales, due to its small size, flat design, high accuracy, and wide capacity range, it can be easily installed inside small spaces in many IoT smart applications.
Applications:
smart shelf
smart coasters
baby scale
beehive scale
Drawing
Contact us if you need the Datasheet PDF.


















