HM14C Column Type Load Cell Zemic Column Shear Beam Load Cell

Short Description:
◎Nickel plated alloy steel IP68 column shear load cell;
◎Hermetically sealed;
◎Suitable for truck, track, hopper and other electronic weighing devices;
◎High accuracy;
◎Protected against lightning surges;
◎Current calibrated (sc option);
Available models:
Specification:
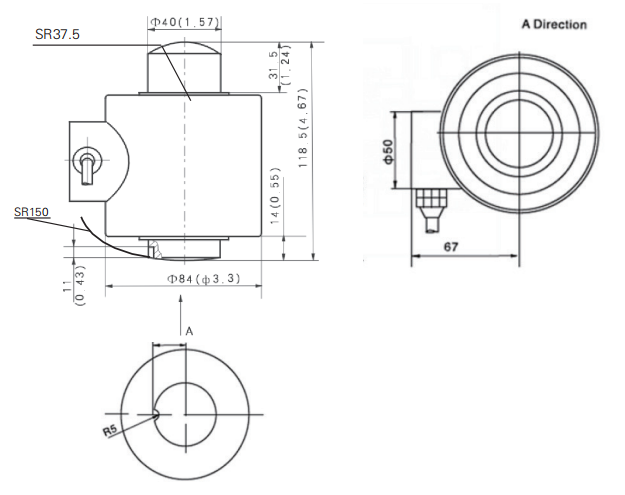
Dimensions in mm:

Wiring:
◎Shielded, 6 conductor cable;
◎Cable diameter: Φ6.3mm;
◎Standard cable length: 13m;
◎Shield not connected to element;





















