H14W Column Load Cell Zemic Compression Load Cell

Short Description:
◎Tool steal IP66 compression load cell;
◎Epoxy coated;
◎Cable suitable for application with higher temperatures up to 130℃;
◎Low profile;
◎Double bridge option from 13t and up;
Available models:
Specification:
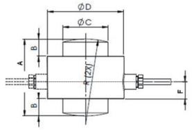
Dimensions in mm:


Wiring:
◎Shielded, 4 conductor cable;
◎Cable diameter: Φ6mm;
◎Standard cable length for 2.8t – 6t: 6m, for 13t – 60t: 15m and for 130t – 500t: 20m;
◎Shield not connected to element;





















