BM14K Column Load Cell Zemic Waterproof Analog Load Cell

Short Description:
◎Stainless steel IP68 compression load cell;
◎Hermetically sealed;
◎Suitable for hopper scales and vehicle testing facilities;
◎Built in surge arrestors;
Available models:
Specification:
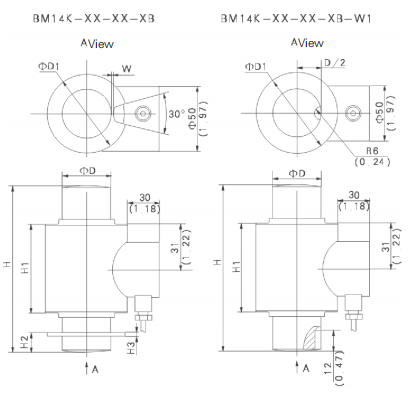
Dimensions in mm:

Wiring:
◎Shielded, 6 conductor cable;
◎Cable diameter: Φ5.6mm;
◎Standard cable length for 10t – 30t: 12m, for 30t: 18m and for 40t – 100t: 20m;
◎Shield not connected to element;
Note:
◎BM14K-XX-XX-XB type is not suitable for the following countries: UK, France, Germany, Italy, The Netherlands;
◎Users can choose different structures of BM14K products, or contact with ZEMIC sales representaives for further products information;




















