BM6G Stainless Steel Load Cell IP68/IP69k Single Point Load Cell

Short Description:
◎Stainless steel IP68/IP69k single point load cell;
◎Suitable for platform, belt scales and other weighing devices;
◎Maximum platform size 800 x 800mm (for 100- 500 kg);
◎Maximum platform size 400 x 400mm (for 10 – 50 kg);
◎10kg only available with PTB certificate D09-10.06 Revision 1 of C R60/2000 DE1-10.02;
◎10kg, 20 kg, 50 kg also available with C4MR approval with PTB certificate D09-10.06 revision 1, C of C R60/2000 DE1-10.02 (Y=40000 Z=6000);
Available models:
Specification:
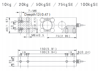
Dimensions in mm:


Wiring:
◎Adopt shielded, 6 conductor cable: Φ5mm;
◎Standard cable length: 3m;

















