BM6E Load Cell Stainless Steel IP68 Single Point Load Cell

Short Description:
◎Stainless steel IP68 single point load cell;
◎Suitable for single load cell structured platform scales;
◎ High accuracy;
◎Maximum platform size: 600 x 600 mm;
Available models:
Specification:
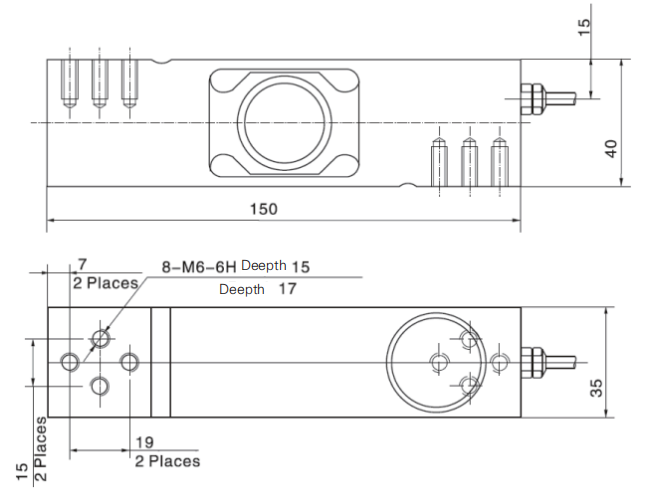
Dimensions in mm:

Wiring:
◎Shielded cable, 4 conductor cable;
◎ Cable diameter: Φ5mm;
◎Standard cable length: 2m;
◎Shield not connected to element;

















