TC305 Column Tension And Compression Load Cell
Product Description
Features and Uses
Small deformation, large measuring range.
Made of stainless steel.
Bidirectional stretching and compression.
High dynamic response frequency.
Mainly used in automobile press assembly, automatic assembly, 3C product testing, new energy product assembly, medical testing, robot, mold assembly and other industrial testing, measurement and control system.
Application field: automobile assembly, automatic assembly, 3C product testing, new energy product assembly, medical testing, robot, mold assembly and other industrial testing, measurement and control system.
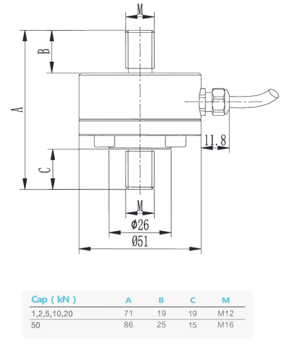
Mounting Dimension

Parameter List
| Rated Range | 1,2,5,10,20 kN
(Can be customized 100kN) |
Insulation Resistance | ≥ 5000mΩ/100VDC |
| Consideration | 1.5±10%mV/V | Excitation Voltage | 5~15V |
| Null Balance | ±0.03%F.S | The Maximum Excitation Voltage | 20volts |
| Nonlinearity | 0.2%F.S | Temperature Compensation Range | -10~60℃ |
| Lag Error | 0.1%F.S | Operating Temperature Range | -20〜80℃ |
| Repeatability | 0.1%F.S | Safe Load(E L) | 150%F.S. |
| Creep (30 Minutes) | 0.1%F.S | Failure Load(E D) | 200%F.S. |
| Sensitivity Drift Temperature Coefficient | 0.05%F.S./10℃ | Cable size | Φ4×4000mm |
| Zero Drift Temperature Coefficient | 0.05%F.S./10℃ | Cloth | Stainless steel |
| Input Resistance | 780±10Ω | Unit Weight(G) | 0.6kg |
| Output Resistance | 700±10Ω | Protection | Ip67
(Can be customized IP68) |
| Direction Of Force | Wiring Method |
![]() |
![]() |



























